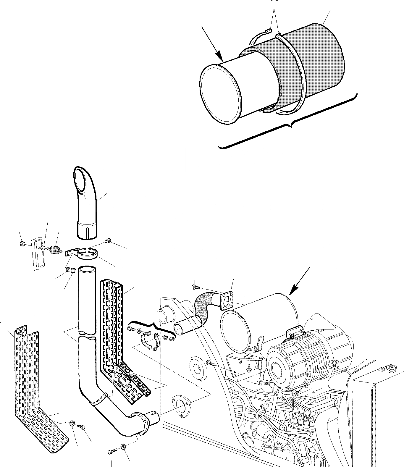
Запчасти Komatsu WB97R-2 ГЛУШИТЕЛЬ КОМПОНЕНТЫ ДВИГАТЕЛЯ И ЭЛЕКТРИКА

Схема запчастей Komatsu WB97R-2 - ГЛУШИТЕЛЬ КОМПОНЕНТЫ ДВИГАТЕЛЯ И ЭЛЕКТРИКА
12
13
5
A
A
7
A
15
11
11
10
17
16
2
1
18
14
11
3
4
8
9
6
FIT
1:1
100%

Артикул

Название

Примечание

Количество

1

312607053

HOSE

2

801015088

BOLT

3

802670075

CLAMP

4

312607055

STUB PIPE

6

802170002

WASHER

7

312607075

PROTECTION SIDE OUTWARD

8

801015106

BOLT

9

802170002

WASHER

10

808001043

DAMPER

12

312607676

COVER, SILENCER

13

885190010

CLAMP

14

312607088

PROTECTION SIDE INWARD

15

312607680

UNLOADING TERMINAL

16

312607106

CLAMP

17

801015087

BOLT

18

802170001

FLAT WASHER

Выбрано товаров: 0