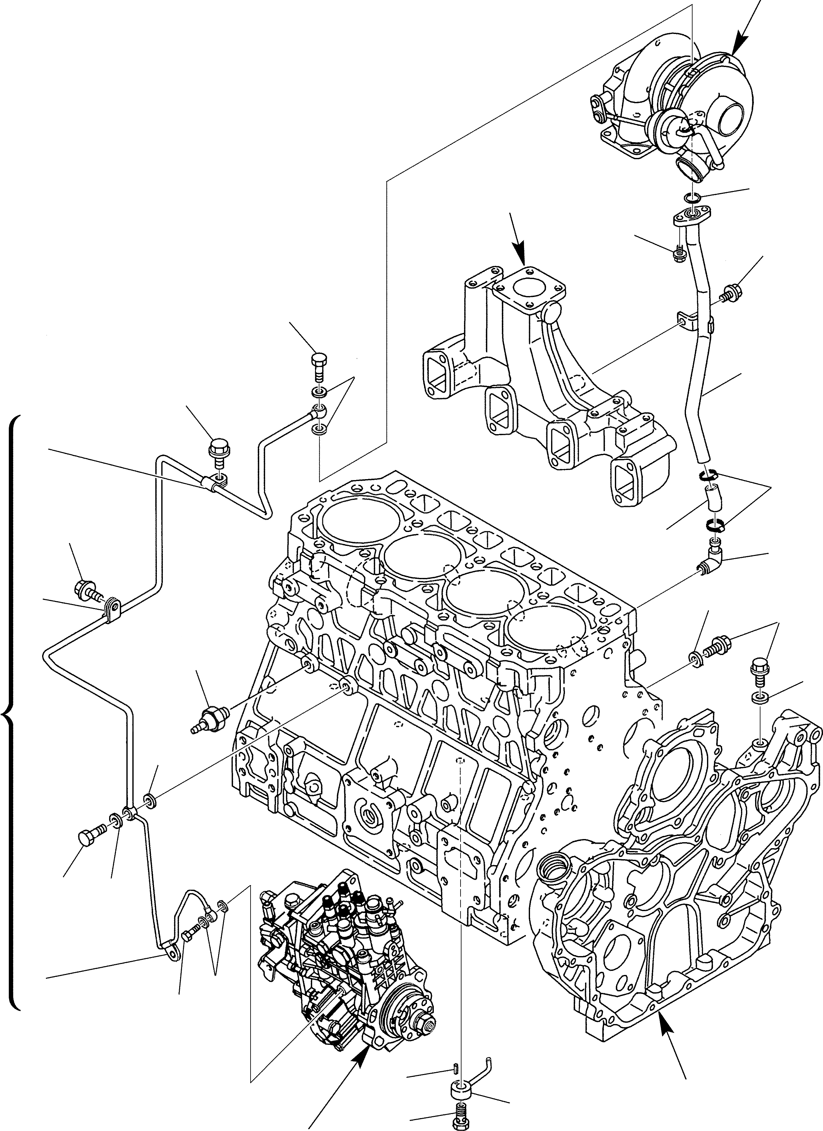
Запчасти Komatsu WB97R-2 СИСТЕМА СМАЗКИ МАСЛ. ЛИНИЯ ДВИГАТЕЛЬ

Схема запчастей Komatsu WB97R-2 - СИСТЕМА СМАЗКИ МАСЛ. ЛИНИЯ ДВИГАТЕЛЬ
16
17
18
10
14
7
9
3
15
9
22
13
3
12
11
4
12
1
7
5
7
2
6
8
21
20
19
A
B
C
D
FIT
1:1
100%

Артикул

Название

Примечание

Количество

\0

871070073

TURBO ENGINE

1

YM123945-39040

PIPE

2

YM123907-39500

SUPPORT

3

YM124223-39900

RETAINER

4

YM114250-39450

SWITCH

5

YM124160-39140

BOLT

6

YM23414-080000

GASKET

7

YM23414-100000

GASKET

8

YM23857-030000

JOINT

9

YM26106-080122

BOLT

10

YM121252-39150

BOLT

11

YM26106-080122

BOLT

12

YM22190-080002

GASKET

13

YM124070-13300

ELBOW

14

YM123910-39601

PIPE

15

YM23000-025000

CLAMP

16

YM24316-000180

O-RING

17

YM26106-060162

BOLT

18

YM26106-080142

BOLT

19

YM129792-39410

JOINT

20

YM123900-39650

NOZZLE

21

YM22351-030010

SPRING

22

YM123901-39820

HOSE

Выбрано товаров: 23