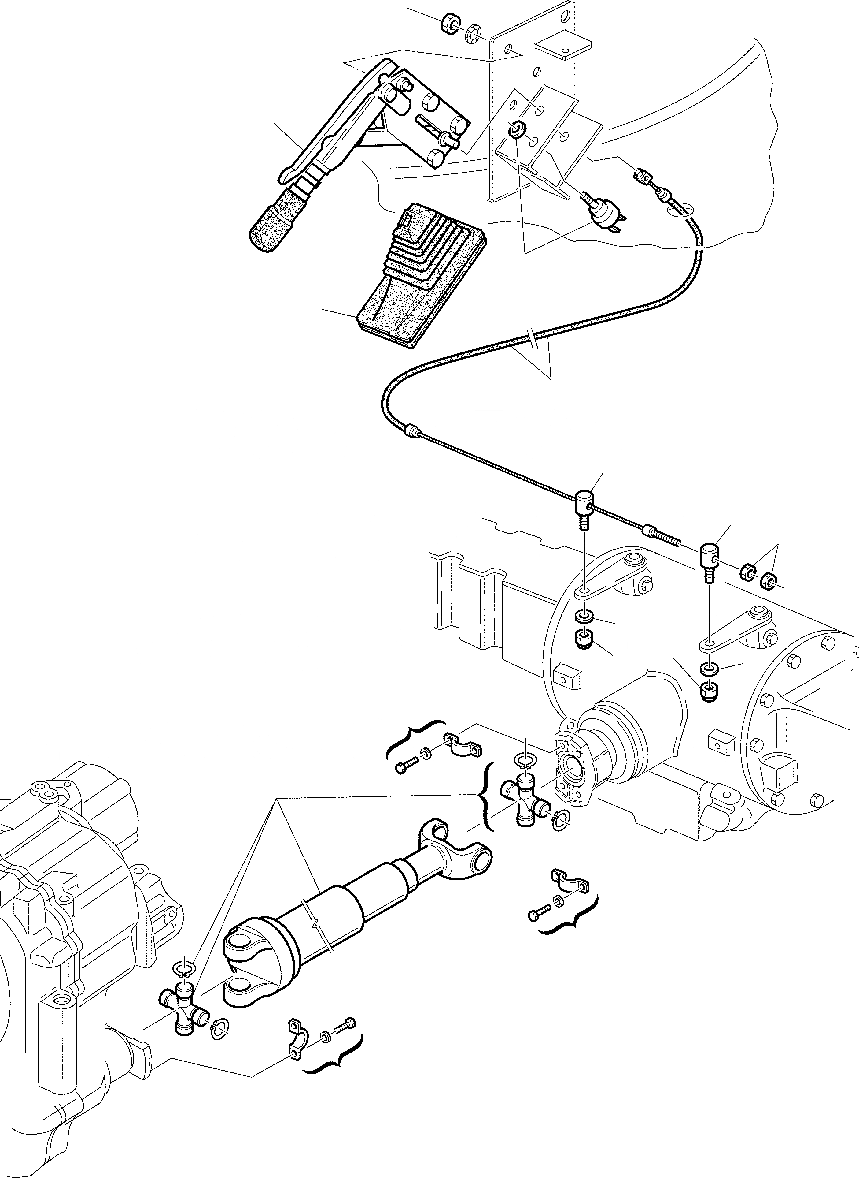
Запчасти Komatsu WB97R-2 РУЧН. ТОРМОЗ И RFEAR КАРДАНН. ВАЛ РАМА

Схема запчастей Komatsu WB97R-2 - РУЧН. ТОРМОЗ И RFEAR КАРДАНН. ВАЛ РАМА
3
1
4
2
5
6
6
7
8
9
9
8
11
10
11
11
FIT
1:1
100%

Артикул

Название

Примечание

Количество

1

880050039

HANDBRAKE LEVER

2

312648628

BOOT

4

885080069

SWITCH

5

312608075

ASSY, CABLE

6

312608632

FASTERNER CABLE

8

801880001

SELF-LOCKING NUT

9

802170002

WASHER

10

312606071

SHAFT

|10

42N-20-11120

CROSS JOURNAL

11

878000514

SHAFT MOUNTING KIT

Выбрано товаров: 0