Качественные детали и логистика
Оригинальные и аналоговые запчасти с доставкой по России, Казахстану и Беларуси
©2022 PartSell ООО "Система" ИНН 2463123282 ОГРН 1212400004838
Центральный офис: г. Красноярск, Академика Киренского, д.87, пом.4
Телефон: 8 (800) 777-65-74 Email: zakaz@partsell.ru
КОНДИЦ. СИСТЕМА (/)
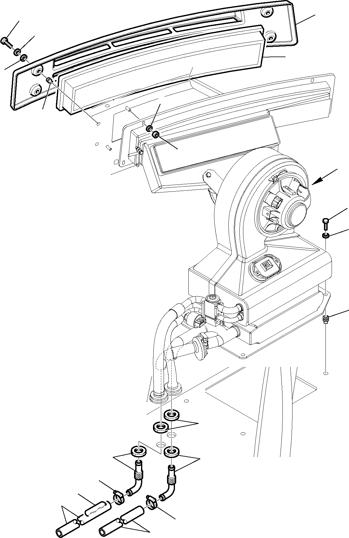
№
Артикул
Название
Примечание
Количество
1
42N-62-16880
COVERING
2
42N-54-15860
BOLT
3
01643-10823
WASHER
4
395-56-13460
INSERT
5
01580-30605
NUT
6
42N-54-15760
ELBOW, ASSY.
7
42N-54-15770
CLAMP
8
21D-977-1170
HOSE
9
42N-54-14350
10
42N-54-14330
AIR CLEANER
11
42N-54-14340
GUARD
12
42N-54-17150
SCREW
13
42N-54-17350
RING, SNAP
Выбрано товаров: 0