Запчасти Komatsu WB97R-5 УПРАВЛЯЮЩ. КЛАПАН И СЕРВОУПРАВЛ. УСТР-ВО ПОДАЧИ (/) ГИДРАВЛИКА РАБОЧЕЕ ОБОРУДОВАНИЕ

Схема запчастей Komatsu WB97R-5 - УПРАВЛЯЮЩ. КЛАПАН И СЕРВОУПРАВЛ. УСТР-ВО ПОДАЧИ (/) ГИДРАВЛИКА РАБОЧЕЕ ОБОРУДОВАНИЕ
9
7
8
9
10
11
10
11
12
13
3
8
1
7
1
6
2
11
2
10
4
11
5
15
10
14
A
B
C
C
D
D
E
F
F
G
G
FIT
1:1
100%

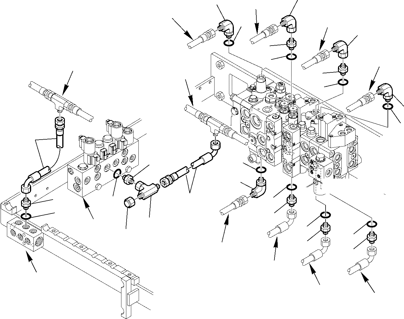
Артикул

Название

Примечание

Количество

1

21D-09-51160

UNION

2

21D-09-69960

O-RING

3

42N-62-14920

HOSE

4

21D-09-56850

TEE

5

37D-09-5N210

PLUG

6

42N-62-14910

HOSE

7

42N-62-14510

ELBOW

8

07002-11423

O-RING

9

21D-09-55610

ELBOW

10

226-62-13380

UNION

11

21D-09-69960

O-RING

12

22E-09-11310

ELBOW

13

21D-09-69960

O-RING

14

37D-09-2U154

UNION

15

21D-09-69960

O-RING

Выбрано товаров: 15