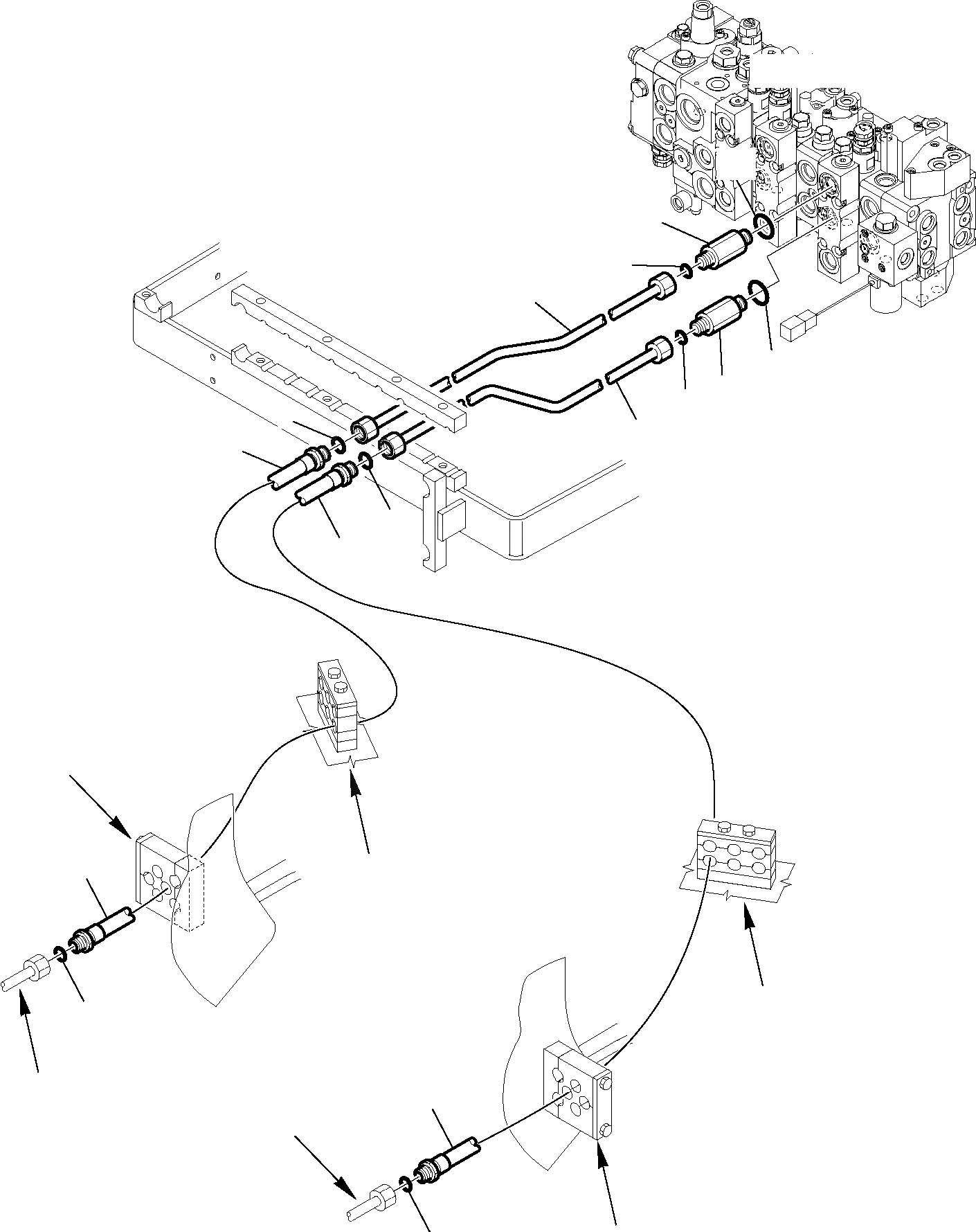
Запчасти Komatsu WB97R-5 ГИДРОЛИНИЯ (КОВШ - [4 В 1] ЛИНИЯ ЦИЛИНДРА) (/) ГИДРАВЛИКА РАБОЧЕЕ ОБОРУДОВАНИЕ

Схема запчастей Komatsu WB97R-5 - ГИДРОЛИНИЯ (КОВШ - [4 В 1] ЛИНИЯ ЦИЛИНДРА) (/) ГИДРАВЛИКА РАБОЧЕЕ ОБОРУДОВАНИЕ
2
1
3
4
2
1
3
6
7
5
6
5
5
6
5
6
A
A
A
A
B
B
FIT
1:1
100%

Артикул

Название

Примечание

Количество

1

42N-62-11210

UNION

2

02896-11012

O-RING

3

07002-11823

O-RING

4

42N-62-14610

PIPE

5

42N-62-11890

HOSE

6

02896-11012

O-RING

7

42N-62-14620

PIPE

Выбрано товаров: 7