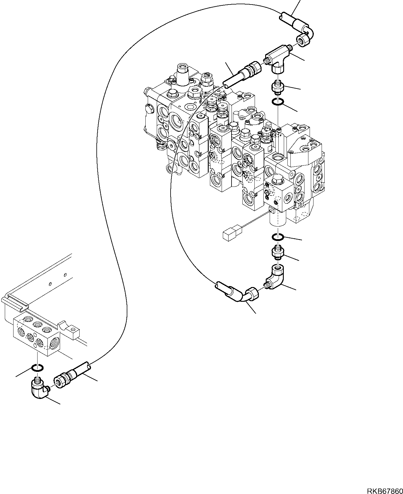
Запчасти Komatsu WB97R-5E0 ГИДРОЛИНИЯ (ГЛАВН. ВОЗВРАТ. ЛИНИЯ) РАБОЧЕЕ ОБОРУДОВАНИЕ ГИДРАВЛИКА

Схема запчастей Komatsu WB97R-5E0 - ГИДРОЛИНИЯ (ГЛАВН. ВОЗВРАТ. ЛИНИЯ) РАБОЧЕЕ ОБОРУДОВАНИЕ ГИДРАВЛИКА
8
6
3
4
5
5
4
7
6
2
8
1
FIT
1:1
100%

Артикул

Название

Примечание

Количество

1

21D-09-51600

ELBOW

2

21D-09-69960

O-RING

3

21D-09-56850

TEE

4

37D-09-2U154

UNION

5

37B-09-88006

O-RING

6

42N-62-12161

HOSE

7

21D-09-55610

ELBOW

8

42N-62-15170

HOSE

Выбрано товаров: 0