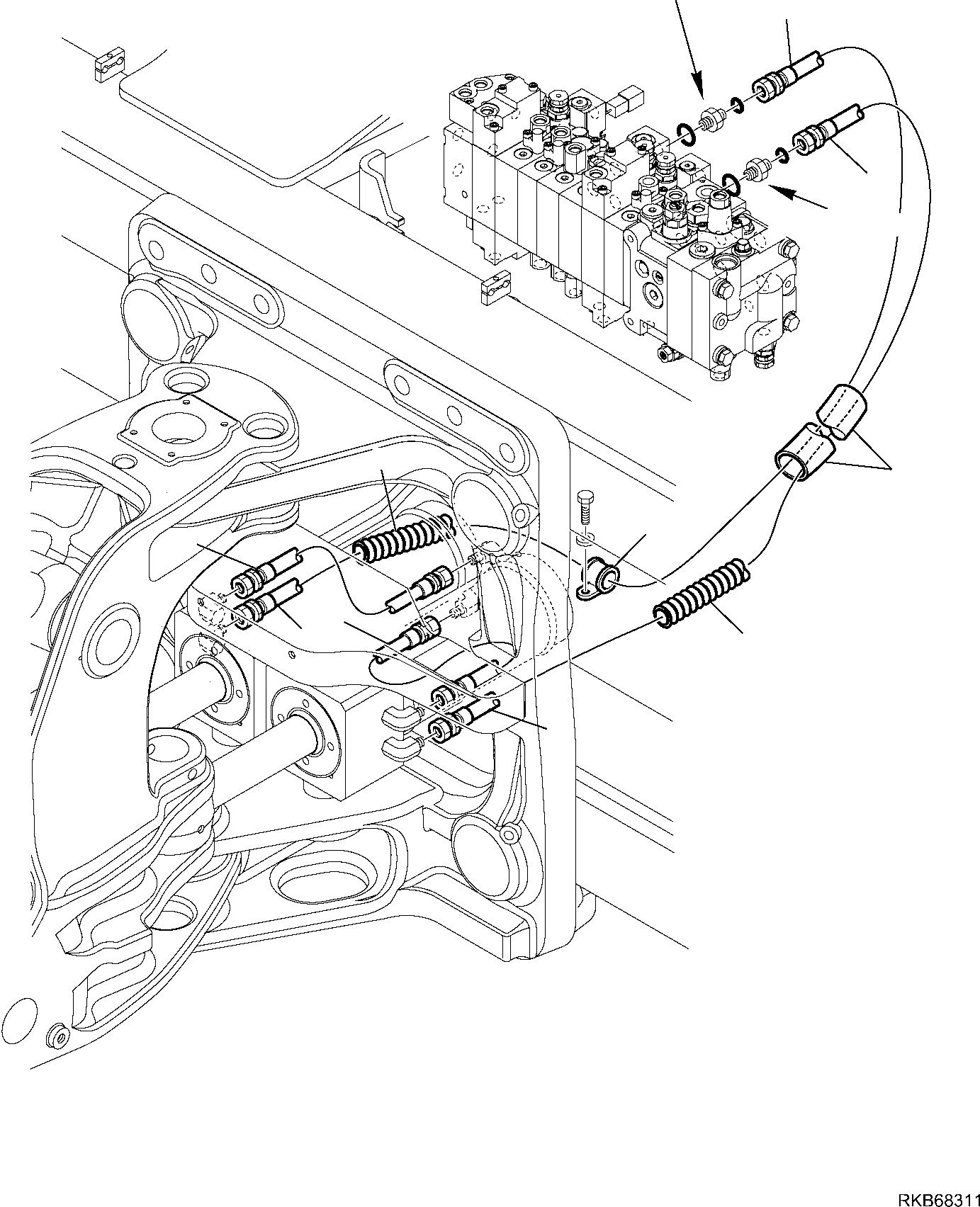
Запчасти Komatsu WB97R-5E0 ГИДРОЛИНИЯ (ЦИЛИНДР ПОВОРОТА СТРЕЛЫ ЛИНИЯ) РАБОЧЕЕ ОБОРУДОВАНИЕ ГИДРАВЛИКА

Схема запчастей Komatsu WB97R-5E0 - ГИДРОЛИНИЯ (ЦИЛИНДР ПОВОРОТА СТРЕЛЫ ЛИНИЯ) РАБОЧЕЕ ОБОРУДОВАНИЕ ГИДРАВЛИКА
1
2
5
6
4
3
3
1
5
2
A
A
FIT
1:1
100%

Артикул

Название

Примечание

Количество

1

42N-62-13490

HOSE

2

42N-62-13990

HOSE

3

42N-62-13511

HOSE

4

42N-62-16470

CLIP

5

42N-62-17440

PROTECTION

6

42N-62-14451

PROTECTION

Выбрано товаров: 0