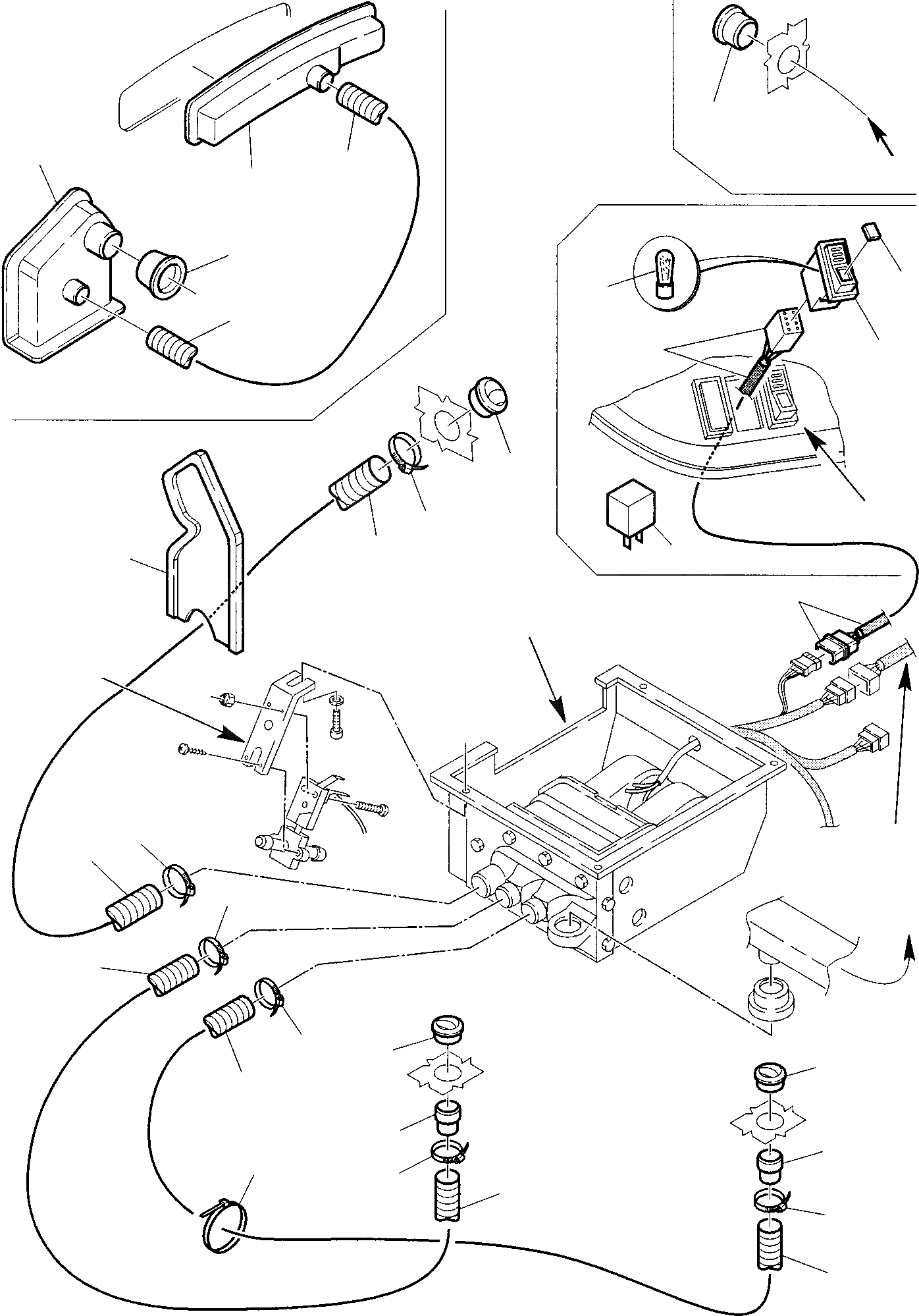
Запчасти Komatsu WB97S-2 КАБИНА СИСТЕМА ОБДУВА ВОЗДУХА (/) ЧАСТИ КОРПУСА И КАБИНА

Схема запчастей Komatsu WB97S-2 - КАБИНА СИСТЕМА ОБДУВА ВОЗДУХА (/) ЧАСТИ КОРПУСА И КАБИНА
A
B
B
C
A
A
19
1
3
4
2
7
6
3
9
5
19
11
12
13
8
9
11
12
15
10
15
18
18
14
17
17
16
15
10
15
14
FIT
1:1
100%

Артикул

Название

Примечание

Количество

\0

888011041

AIR BLENDING SYSTEM, ASSY.

\0

888011042

CABIN AIR BLENDING SYSTEM, KIT

1

888011066

AIR CLOSED

2

888011065

STUB

3

312649602

HOSE

4

888011064

AIR FILTER BOX

5

888011067

SWITCH

6

885141072

BULB

7

888011068

GLASS

8

888011069

RELAY?

9

312649084

SWITCH WIRING

10

888011056

HOSE

11

802660014

CLAMP

12

888011055

HOSE

13

312605780

WALL

14

888011057

HOSE

15

802660176

CLAMP

16

885180005

CLAMP

17

888011033

REDUCTION

18

888011031

STUB

19

888011038

STUB

Выбрано товаров: 21