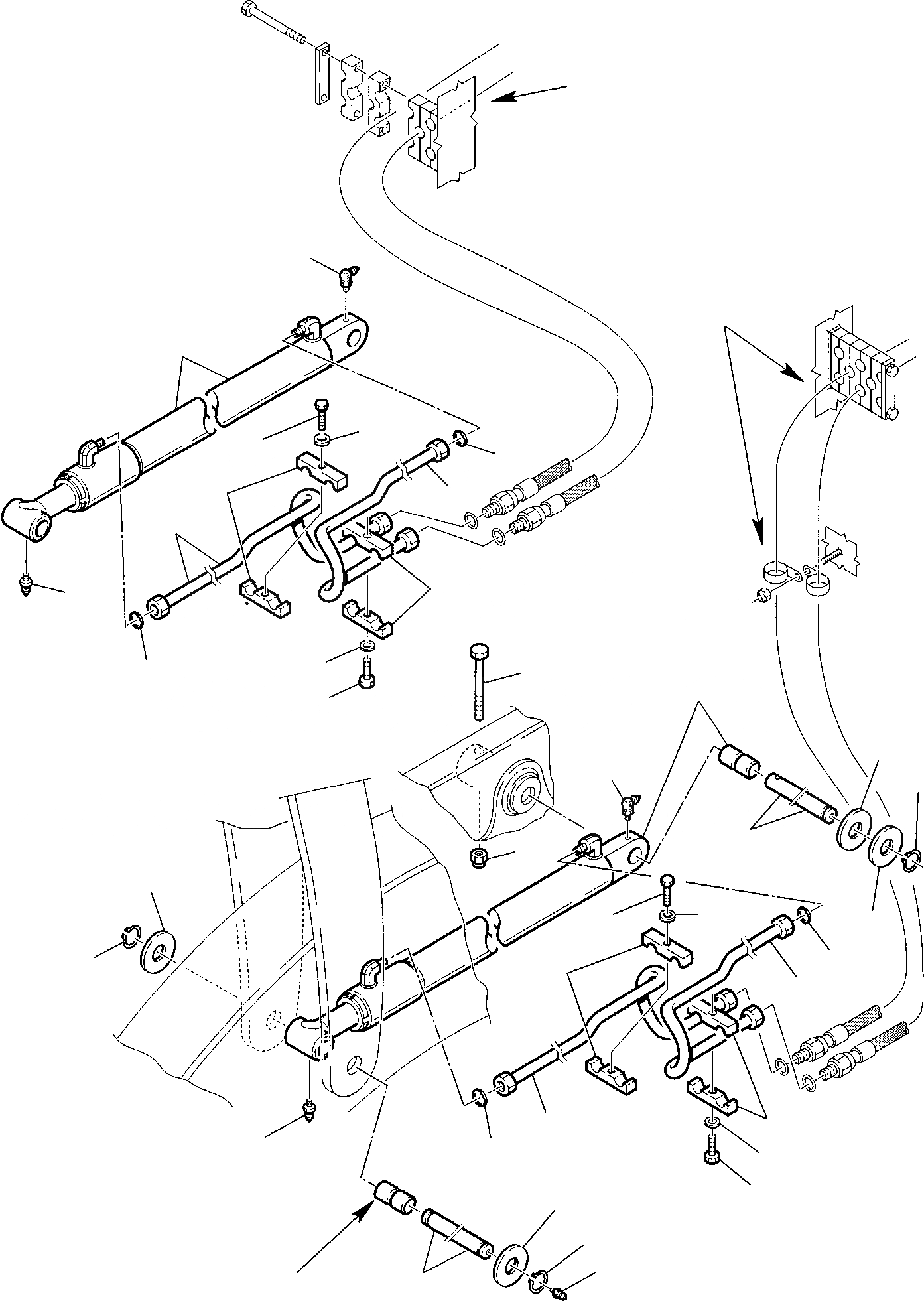
Запчасти Komatsu WB97S-2 ГИДРОЛИНИЯ (ЦИЛИНДР ПОДЪЕМА ПОГРУЗ. КОВША) (/) ГИДРАВЛИКА РАБОЧЕЕ ОБОРУДОВАНИЕ

Схема запчастей Komatsu WB97S-2 - ГИДРОЛИНИЯ (ЦИЛИНДР ПОДЪЕМА ПОГРУЗ. КОВША) (/) ГИДРАВЛИКА РАБОЧЕЕ ОБОРУДОВАНИЕ
2
A
A
B
9
1
8
7
3
6
5
4
6
8
11
3
1
7
13
9
14
10
12
17
8
7
15
18
3
6
5
4
6
2
3
8
7
17
18
19
16
FIT
1:1
100%

Артикул

Название

Примечание

Количество

1

395012014

HYDRAULIC JACK, ASSY.

2

860010007

FITTING

3

855051016

O-RING

4

312610065

PIPE

5

312610067

PIPE

6

200390970

BUCKLE

7

801015089

BOLT

8

802170001

WASHER

9

860030004

FITTING

10

312601665

PIN

11

801015584

BOLT

12

801880212

SELF-LOCKING NUT

13

390608003

WASHER

14

802270019

SNAP RING

15

390608006

WASHER

16

312602613

PIN

17

390608002

WASHER

18

802270017

SNAP RING

19

860010007

FITTING

Выбрано товаров: 19