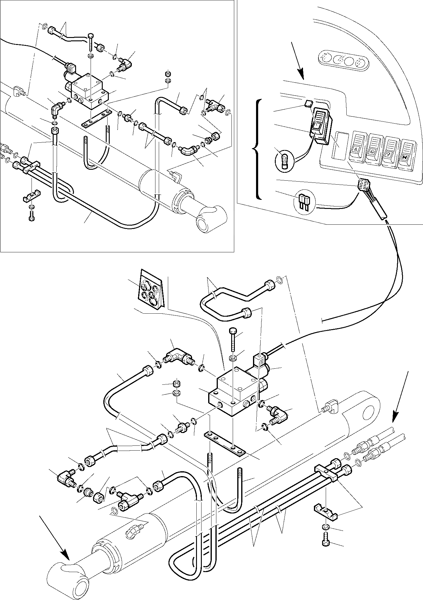
Запчасти Komatsu WB97S-2 ГИДРОЛИНИЯ (ЦИЛИНДР ПОДЪЕМА ПОГРУЗ. КОВША) (ЭЛЕКТРИЧ. КЛАПАН БЕЗОПАСНОСТИ) ГИДРАВЛИКА РАБОЧЕЕ ОБОРУДОВАНИЕ

Схема запчастей Komatsu WB97S-2 - ГИДРОЛИНИЯ (ЦИЛИНДР ПОДЪЕМА ПОГРУЗ. КОВША) (ЭЛЕКТРИЧ. КЛАПАН БЕЗОПАСНОСТИ) ГИДРАВЛИКА РАБОЧЕЕ ОБОРУДОВАНИЕ
13
A
B
B
11
9
10
31
10
16
1
30
9
27
34
11
21
33
17
28
26
29
35
32
15
20
19
18
36
37
16
12
2
8
9
11
10
7
3
25
6
1
10
7
9
27
29
14
28
11
19
4
16
18
20
21
31
5
22
17
30
24
25
23
16
FIT
1:1
100%

Артикул

Название

Примечание

Количество

1

845250013

VALVE

2

845250505

GASKET, KIT

3

845750001

SOLENOID

4

801015547

BOLT

5

802170001

SPRING WASHER

6

312237601

PLATE

7

312237600

FASTENER

8

801920104

NUT

9

500380510

ELBOW

10

855051617

O-RING

11

855051016

O-RING

12

312637082

PIPE

13

312637081

PIPE

14

312637080

PIPE

15

312637079

PIPE

16

312637078

PIPE

17

500380792

PRESSURE HOLDER

18

500380503

ELBOW

19

855051111

O-RING

20

855051012

O-RING

21

500362521

NUT

22

200390970

BUCKLE

23

801015089

BOLT

24

802170001

SPRING WASHER

25

312637084

PIPE

26

312637083

PIPE

27

500380103

UNION

28

855051111

O-RING

29

855051012

O-RING

30

500380873

T

31

855051016

O-RING

32

885270665

WIRING, ASSY

33

885081088

SWITCH SECURITY VALVE

34

885141108

GLASS

35

885141072

BULB

36

885411096

CONNECTOR

37

885091008

FUSE 15A

Выбрано товаров: 37