Запчасти Komatsu WB97S-2 КРЕПЛЕНИЕ СТРЕЛЫ (/) РАБОЧЕЕ ОБОРУДОВАНИЕ

Схема запчастей Komatsu WB97S-2 - КРЕПЛЕНИЕ СТРЕЛЫ (/) РАБОЧЕЕ ОБОРУДОВАНИЕ
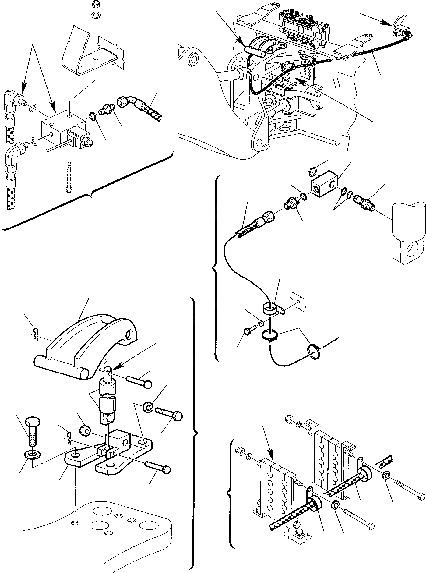
A
B
A
A
B
B
C
C
D
D
3
3
1
2
19
18
16
21
3
17
20
4
12
23
6
24
22
5
9
7
10
14
6
8
15
13
11
3
25
4
25
FIT
1:1
100%

Артикул

Название

Примечание

Количество

1

500351755

UNION

2

855051111

O-RING

4

802660501

COLLAR

5

390596044

PIN

6

802610040

COTTER

7

312715057

CYLINDER

8

801015693

BOLT

9

802070024

WASHER

10

801852424

SELF-LOCKING NUT

11

390596043

PIN

12

312715056

FASTENER

13

312715055

SUPPORT

14

801015188

BOLT

15

802170005

WASHER

16

312715625

UNION

17

855021610

O-RING

18

312715626

UNION

19

802250010

RING

20

500351754

UNION

21

855051011

O-RING

23

802170001

WASHER

24

885180004

WRAPPER

25

802170001

WASHER

Выбрано товаров: 0