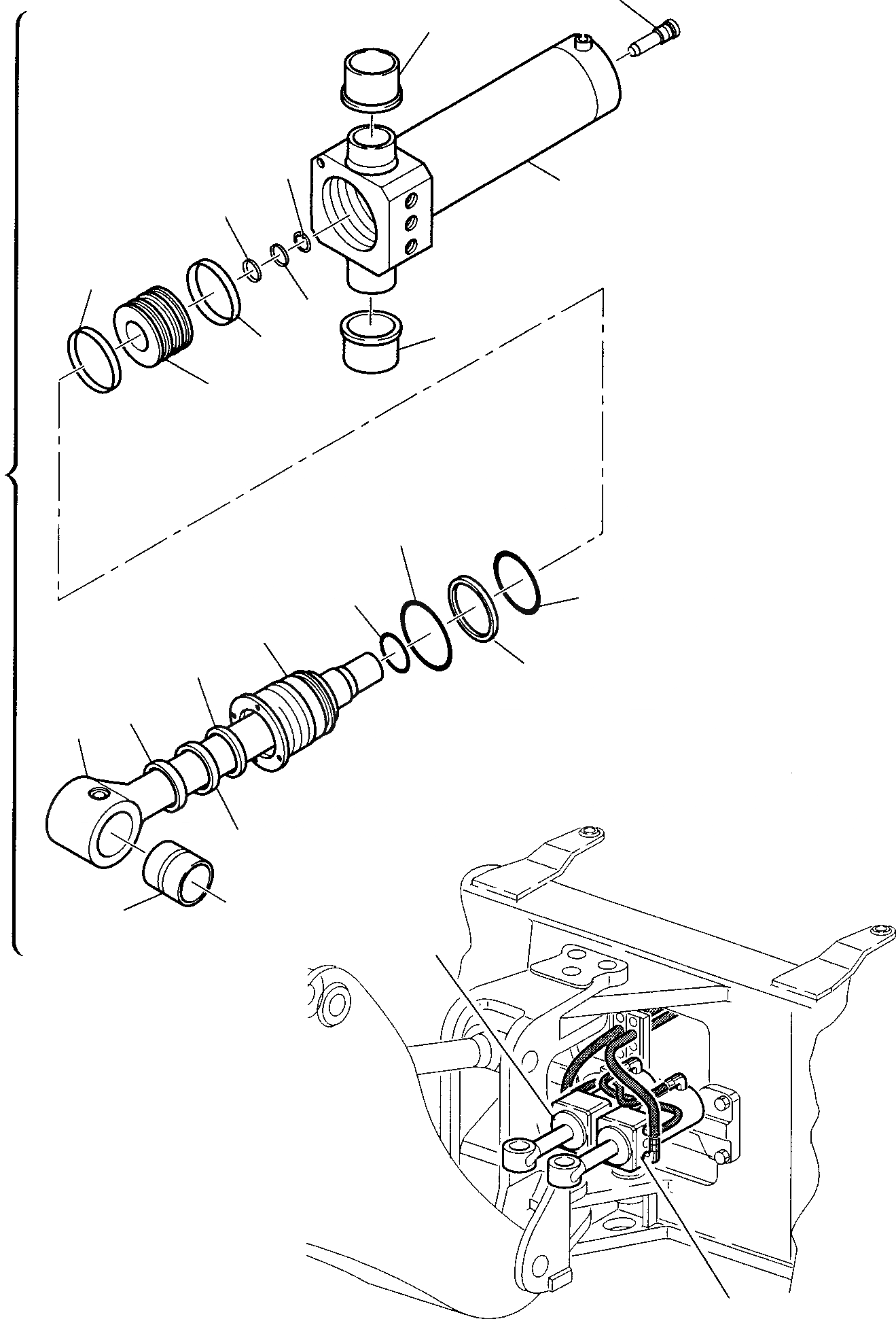
Запчасти Komatsu WB97S-2 ЦИЛИНДР ПОВОРОТА СТРЕЛЫ РАБОЧЕЕ ОБОРУДОВАНИЕ

Схема запчастей Komatsu WB97S-2 - ЦИЛИНДР ПОВОРОТА СТРЕЛЫ РАБОЧЕЕ ОБОРУДОВАНИЕ
13
10
9
11
12
7
19
8
10
20
6
1
2
16
15
18
5
14
17
21
3
22
4
1
2
FIT
1:1
100%

Артикул

Название

Примечание

Количество

1

395005015

BOOM SWING CYLINDER ASSY., R.H.

2

395005016

BOOM SWING CYLINDER ASSY., L.H.

3

395187012

ROD

5

395330011

RING NUT

6

395273018

PISTON

7

500468851

RING

8

500252046

RING

9

802250530

RING

10

500213004

BUSHING

11

395090012

CYLINDER, RIGHT

12

395091012

CYLINDER , LEFT

13

312705602

CYLINDER

\13

878000542

GASKET KIT

14

GASKET

15

O-RING

16

O-RING

17

RING

18

O-RING

19

GASKET

20

RING WEAR

21

SCRAPER RING

22

GASKET

Выбрано товаров: 0