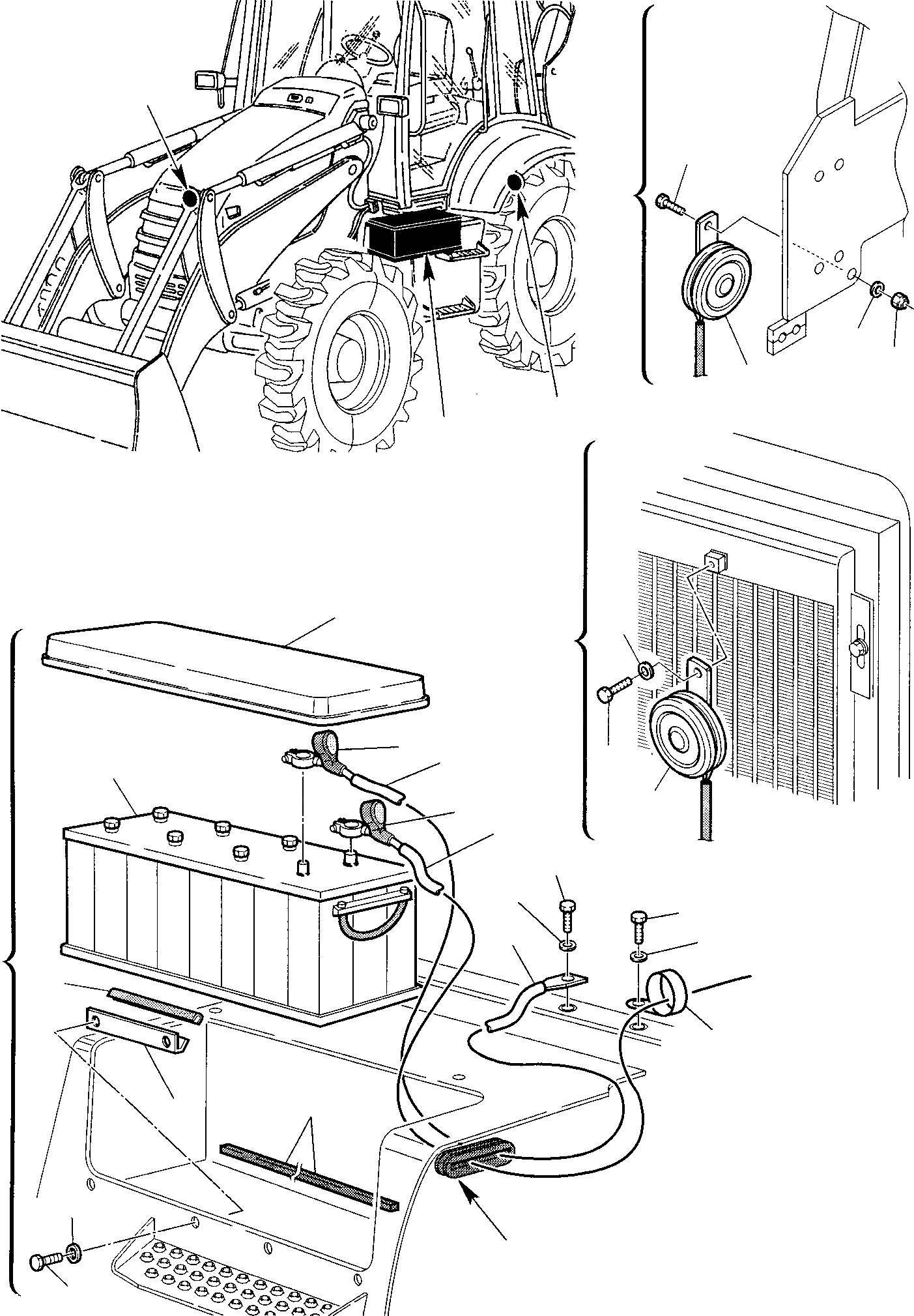
Запчасти Komatsu WB97S-2 ЭЛЕКТРИКА (/) КОМПОНЕНТЫ ДВИГАТЕЛЯ И ЭЛЕКТРИКА

Схема запчастей Komatsu WB97S-2 - ЭЛЕКТРИКА (/) КОМПОНЕНТЫ ДВИГАТЕЛЯ И ЭЛЕКТРИКА
A
A
B
C
C
B
A
18
17
19
15
2
17
7
6
16
1
15
9
8
13
14
11
6
12
20
10
21
3
5
4
FIT
1:1
100%

Артикул

Название

Примечание

Количество

1

885011017

BATTERY

2

312605770

BATTERY COVER

3

312613060

BATTERY RETAINER

4

801015086

BOLT

5

802170001

WASHER

6

312612090

TERMINAL (-), ASSY.

7

885241019

COVER

8

312612101

TERMINAL(+), ASSY.

9

885240018

COVER

10

802660501

COLLAR

11

801015109

BOLT

12

802170002

WASHER

13

801015108

BOLT

14

802170001

WASHER

15

885100001

HORN

16

801015084

BOLT

17

802170001

WASHER

18

801015087

BOLT

19

801880208

SELF-LOCKING NUT

20

855710058

PROTECTION GASKET

21

312613669

SPACER RUBBER

Выбрано товаров: 21