Запчасти Komatsu WB97S-2 ТРАНСМИССИЯ (/) РАМА

Схема запчастей Komatsu WB97S-2 - ТРАНСМИССИЯ (/) РАМА
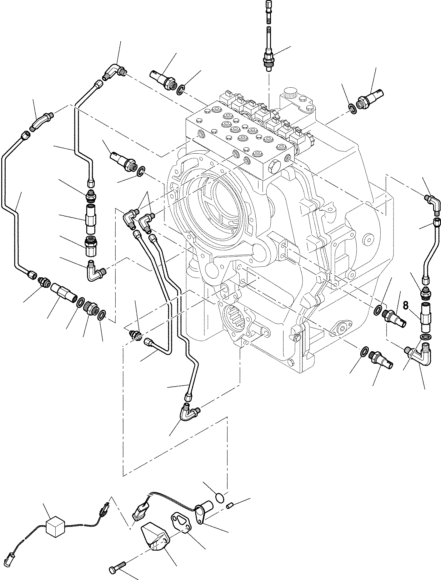
5
3
1
4
2
2
5
4
22
5
7
2
5
21
8
6
23
5
7
2
4
13
7
8
9
20
2
12
9
2
11
4
10
5
19
14
24
15
16
17
18
FIT
1:1
100%

Артикул

Название

Примечание

Количество

\0

200120061

DRIVE SHAFT, ASSY.

1

CA0138643

PRESSURE SENSOR

2

CA0023287

WASHER

3

CA0138645

OIL TEMP. SENSOR

4

CA0138644

PRESSURE SENSOR

5

CA0134919

ELBOW

6

CA0140304

PIPE

7

CA0140334

CONNECTION

8

CA0139990

ANTISHCK VALVE KIT

9

CA0023281

WASHER

10

CA0140335

ELBOW

11

CA0138764

PIPE FWD

12

CA0138763

PIPE

13

CA0137595

CONNECTION

14

CA0117385

PIN

15

CA0134513

SENSOR

16

CA0133387

SENSOR GASKET

17

CA0138572

SENSOR COVER

18

CA0020780

BOLT

19

CA0028531

O-RING

20

CA0140336

CONNECTION

21

CA0140305

PIPE

22

CA0140303

PIPE

23

CA0140333

CONNECTION

24

CA0141399

OPTICAL ISOLATOR

Выбрано товаров: 25