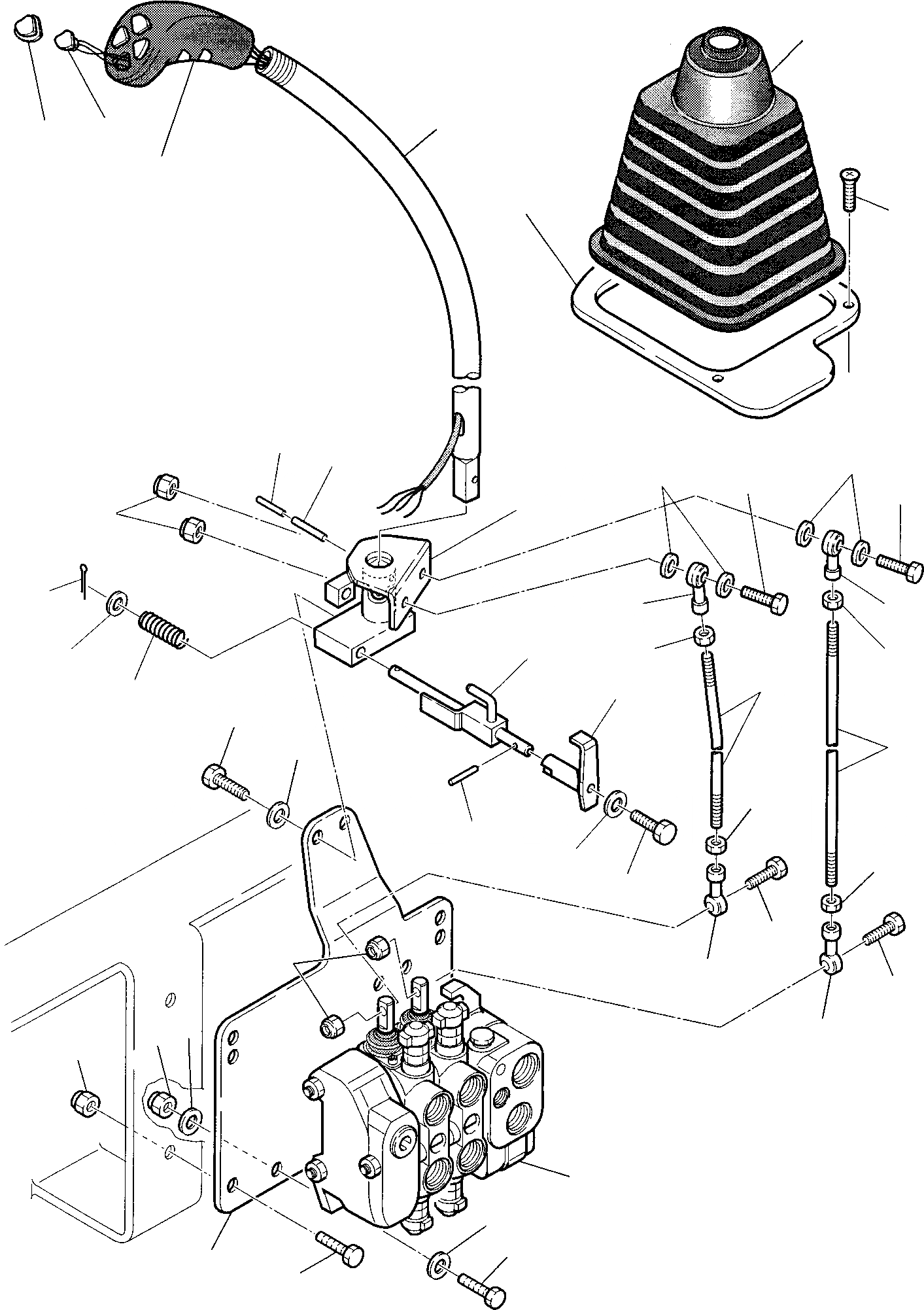
Запчасти Komatsu WB97S-2 РЫЧАГ УПРАВЛ-Я ПОГРУЗ. КОВШОМ СИСТЕМА УПРАВЛЕНИЯ

Схема запчастей Komatsu WB97S-2 - РЫЧАГ УПРАВЛ-Я ПОГРУЗ. КОВШОМ СИСТЕМА УПРАВЛЕНИЯ
33
11
9
10
8
34
35
16
15
26
26
25
25
12
27
29
24
24
30
17
23
30
28
19
22
13
28
14
31
18
21
31
20
25
27
32
25
3
4
32
7
1
3
2
5
6
FIT
1:1
100%

Артикул

Название

Примечание

Количество

1

844020230

CONTROL VALVE,ASSY.

2

801015559

BOLT

3

802170002

WASHER

4

801880001

SELF-LOCKING NUT

5

312609622

CONTROL VALVE SUPPORT

6

801015111

BOLT

7

801880001

SELF-LOCKING NUT

8

312608066

KNOB

9

885081151

MICROSWITCH

10

885241029

COVER

11

312609056

LEVER CONTROL VALVE

12

312609055

JOINT

13

801015110

BOLT

14

802170002

WASHER

15

802510250

DOWEL

16

802510198

DOWEL

17

312609054

BLOCK

18

802510191

DOWEL

19

312609057

LEVER

20

801015091

BOLT

21

802170001

WASHER

22

390100020

SPRING

23

802170003

WASHER

24

805850210

JOINT

25

801015557

BOLT

26

312209604

SPACER

27

801852210

SELF-LOCKING NUT

28

312609625

CONTROL TIE

29

802610057

COTTER

30

801750002

NUT

31

500611661

NUT (LEFT)

32

805850211

JOINT (LEFT)

33

816212396

BOOT

34

312605758

PRESSURE -BOOT

35

801250231

BOLT

Выбрано товаров: 35