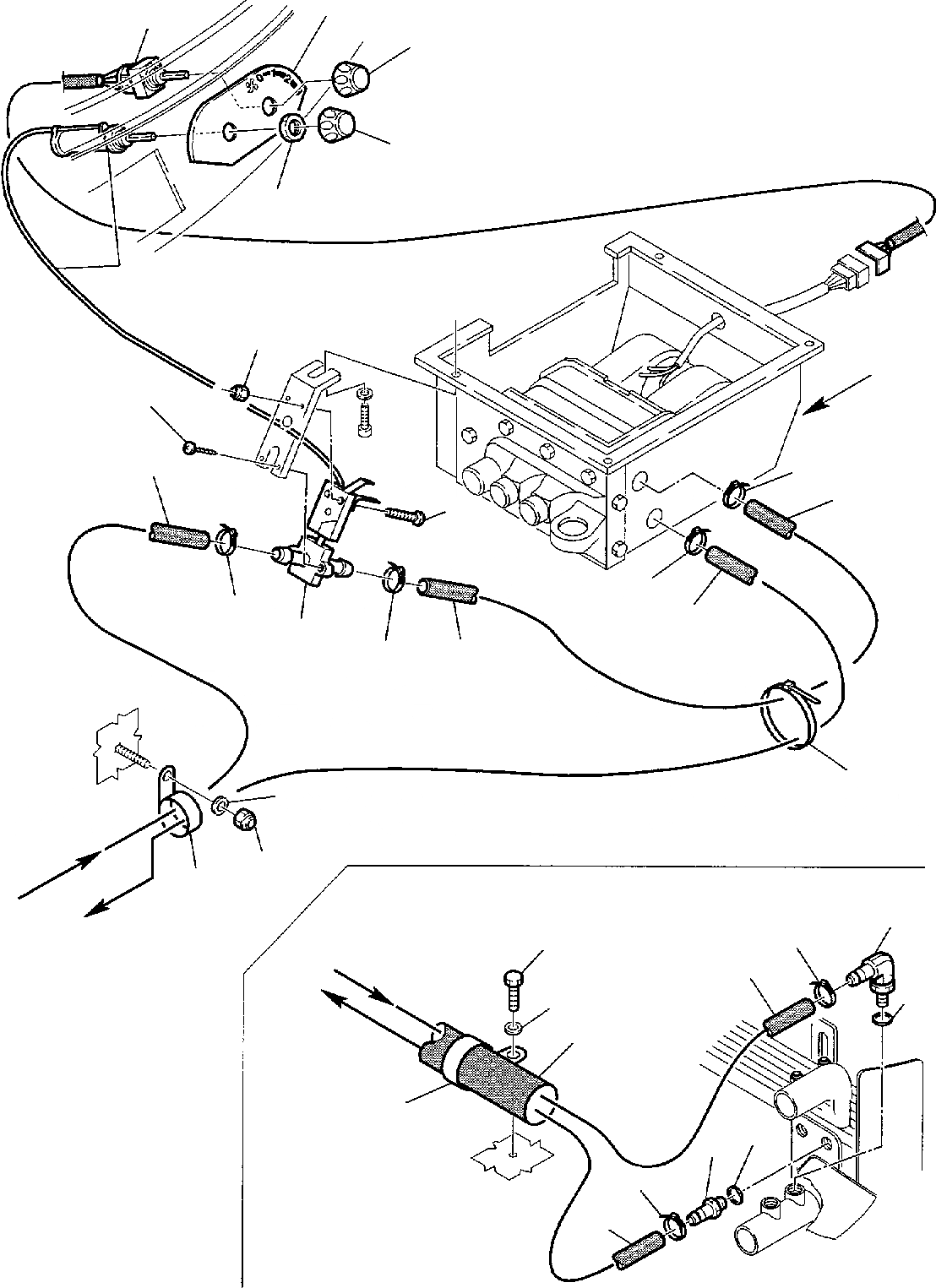
Запчасти Komatsu WB97S-2 СИСТЕМА ПОДОГРЕВА (/) ЧАСТИ КОРПУСА И КАБИНА

Схема запчастей Komatsu WB97S-2 - СИСТЕМА ПОДОГРЕВА (/) ЧАСТИ КОРПУСА И КАБИНА
2
3
A
A
B
1
B
A
1
4
4
8
6
12
10
9
7
10
10
11
5
9
10
22
15
14
13
19
10
16
11
20
15
21
13
18
17
10
12
FIT
1:1
100%

Артикул

Название

Примечание

Количество

1

816214528

KNOB

2

312632602

ADHESIVE PLATE

3

885081140

SWITCH

4

312608068

CONTROL CABLE

5

816214526

WATER COCK

6

801370039

SCREW

7

801250029

SCREW

8

801852204

SELF-LOCKING NUT

9

852991033

HOSE (L=800)

10

802660003

CLAMP

11

852991033

HOSE (L=2500)

12

852991033

HOSE (L=4000)

13

802660027

COLLAR SUPPORT

14

801852208

SELF-LOCKING NUT

15

802170001

WASHER

16

801015086

BOLT

17

390029034

UNION

18

855051113

O-RING

19

390032022

ELBOW

20

855051113

O-RING

21

312610619

HOSE PROTECTION

22

885180004

WRAPPER

Выбрано товаров: 22