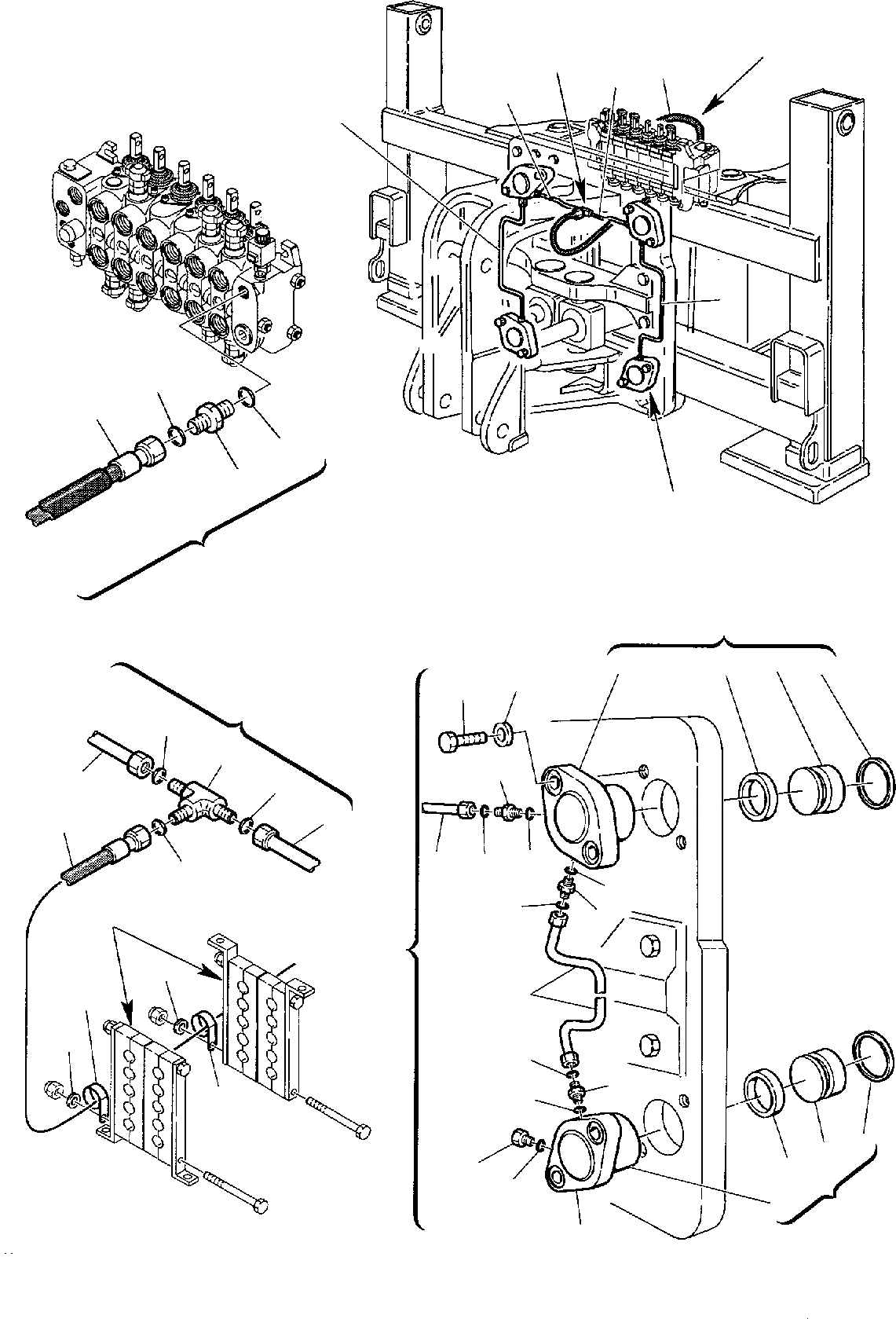
Запчасти Komatsu WB97S-2 ГИДРОЛИНИЯ (БЛОК. ЦИЛИНДР) ГИДРАВЛИКА РАБОЧЕЕ ОБОРУДОВАНИЕ

Схема запчастей Komatsu WB97S-2 - ГИДРОЛИНИЯ (БЛОК. ЦИЛИНДР) ГИДРАВЛИКА РАБОЧЕЕ ОБОРУДОВАНИЕ
A
A
B
B
1
2
C
2
C
A
3
3
21
1
20
19
4
7
5
8
6
10
9
17
16
11
2
17
2
1
12
2
13
17
12
13
11
22
3
18
22
13
11
18
12
8
7
14
6
15
5
4
FIT
1:1
100%

Артикул

Название

Примечание

Количество

1

392059175

HOSE

2

312707074

TUBE

3

312707075

TUBE

4

312706051

JACK

5

312706600

LINER

6

855711093

GASKET

7

312706602

PISTON

9

801015635

BOLT

10

802070018

WASHER

11

500380103

UNION

12

855051111

O RING

13

855051012

O-RING

14

500365502

PLUG

15

855150033

GASKET

16

500380741

'T'' UNION

17

855051012

O-RING

18

802660501

COLLAR

19

500380103

UNION

20

855051111

O RING

21

855051012

O RING

22

802170001

WASHER

Выбрано товаров: 0