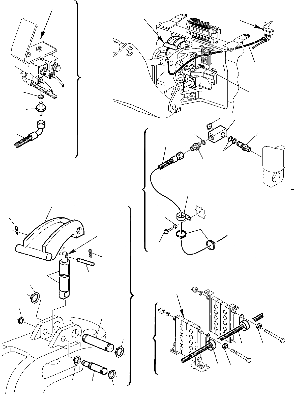
Запчасти Komatsu WB97S-2 КРЕПЛЕНИЕ СТРЕЛЫ (/) РАБОЧЕЕ ОБОРУДОВАНИЕ

Схема запчастей Komatsu WB97S-2 - КРЕПЛЕНИЕ СТРЕЛЫ (/) РАБОЧЕЕ ОБОРУДОВАНИЕ
A
A
B
B
C
C
D
D
20
A
B
22
3
2
1
16
15
13
3
18
3
14
17
4
12
6
21
19
6
5
7
9
12
8
9
3
4
22
11
10
11
FIT
1:1
100%

Артикул

Название

Примечание

Количество

1

500351755

UNION

2

855051111

O-RING

3

392078001

HOSE

4

802660501

COLLAR

5

312715630

PIN

6

802610040

COTTER

7

312715057

CYLINDER

8

312715632

PIN

9

802250025

SNAP RING

10

312715631

PIN

11

802250015

SNAP RING

12

802250010

SNAP RING

13

312715625

UNION

14

855021610

O-RING

15

312715626

UNION

16

802250010

RING

17

500351754

UNION

18

855051011

O-RING

19

801015086

BOLT

20

802170001

WASHER

21

885180004

WRAPPER

22

802170001

WASHER

Выбрано товаров: 22