Качественные детали и логистика
Оригинальные и аналоговые запчасти с доставкой по России, Казахстану и Беларуси
©2022 PartSell ООО "Система" ИНН 2463123282 ОГРН 1212400004838
Центральный офис: г. Красноярск, Академика Киренского, д.87, пом.4
Телефон: 8 (800) 777-65-74 Email: zakaz@partsell.ru
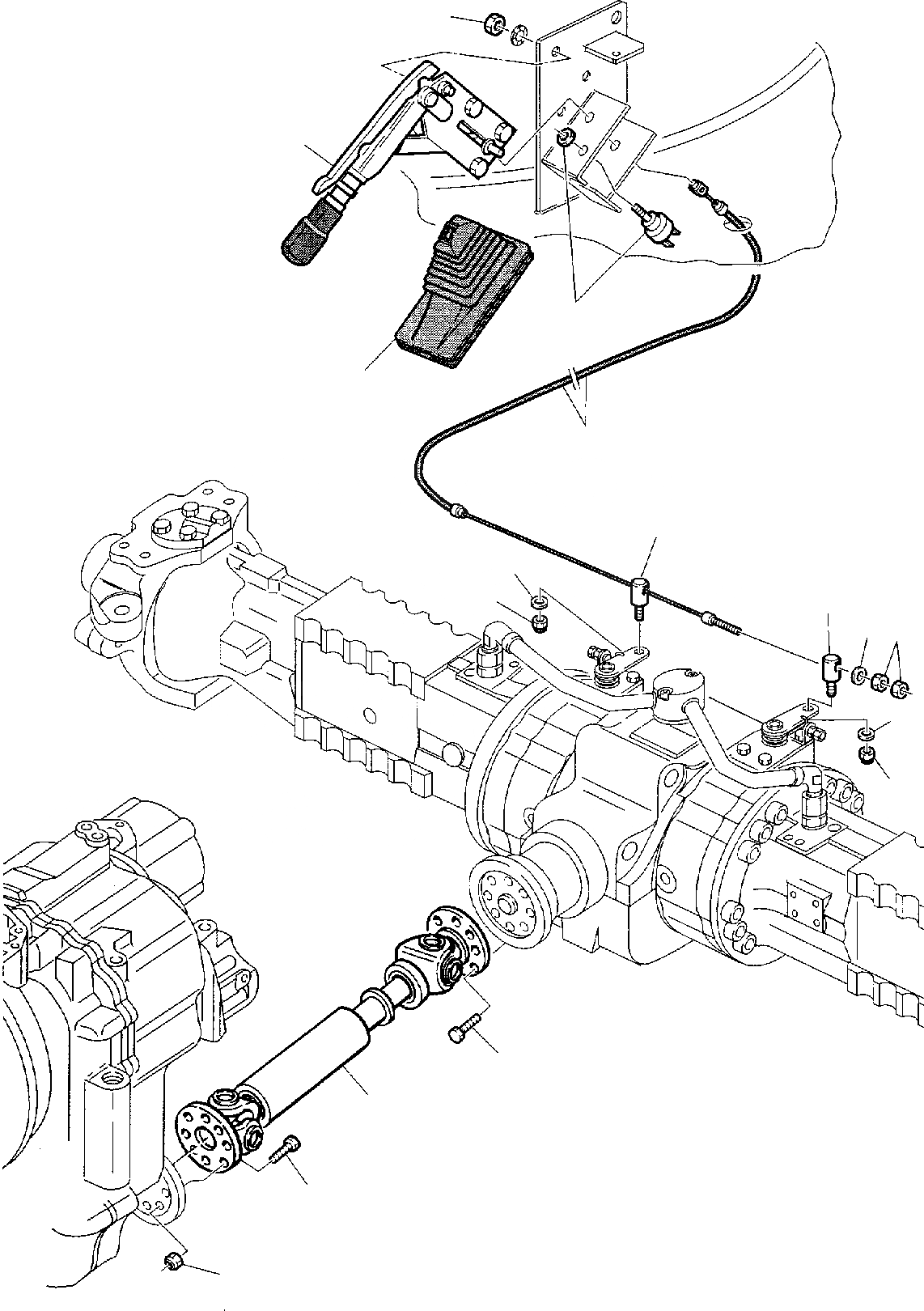
РУЧН. ТОРМОЗ ЗАДН. КАРДАНН. ВАЛ
№
Артикул
Название
Примечание
Количество
1
880050039
HANDBRAKE LEVER
2
312648628
BOOT
3
801920105
NUT
4
885080069
SWITCH
5
312608075
ASSY, CABLE
6
312608632
FASTERNER CABLE
7
801920104
8
801880001
SELF-LOCKING NUT
9
802170002
WASHER
10
312606054
SHAFT
11
801025031
BOLT
12
13
801015556
Выбрано товаров: 0