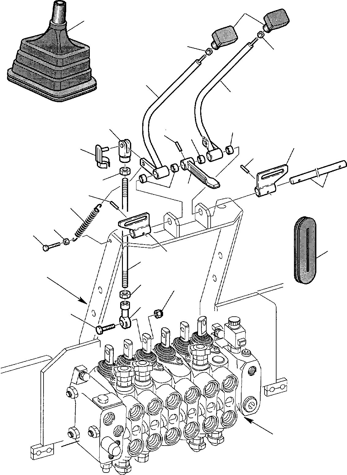
Запчасти Komatsu WB97S-2 РЫЧАГИ УПРАВЛ-Я ОПОРАМИ СИСТЕМА УПРАВЛЕНИЯ

Схема запчастей Komatsu WB97S-2 - РЫЧАГИ УПРАВЛ-Я ОПОРАМИ СИСТЕМА УПРАВЛЕНИЯ
5
A
1
B
4
4
2
3
9
7
8
7
14
10
8
11
6
7
15
8
12
22
21
16
13
17
23
20
18
19
FIT
1:1
100%

Артикул

Название

Примечание

Количество

1

311305748

BOOT

2

312713051

LEVER, R.H.

3

312713052

LEVER, L.H.

4

801920104

NUT

5

816212265

KNOB

6

312713629

LEVER

7

805630015

BUSHING

8

802510167

SPLIT PIN

9

802720020

FORK

10

802725020

PIN

11

801920105

NUT

12

804020008

SPRING

13

312313057

CLAMPING PLATE, R.H.

14

312313058

CLAMPING PLATE, L.H.

15

312713604

PIN

16

816210419

BOOT

17

312713624

LINK

18

805850211

JOINT (LEFT)

19

801015557

BOLT

20

801880001

SELF-LOCKING NUT

21

801015068

BOLT

22

801920103

NUT

23

500611661

NUT (L.H.)

Выбрано товаров: 23