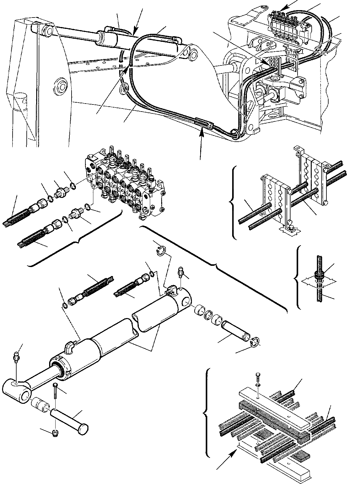
Запчасти Komatsu WB97S-2 ГИДРОЛИНИЯ (ЦИЛИНДР РУКОЯТИ) ГИДРАВЛИКА РАБОЧЕЕ ОБОРУДОВАНИЕ

Схема запчастей Komatsu WB97S-2 - ГИДРОЛИНИЯ (ЦИЛИНДР РУКОЯТИ) ГИДРАВЛИКА РАБОЧЕЕ ОБОРУДОВАНИЕ
A
A
4
4
C
C
5
B
B
E
E
D
D
A
5
4
2
1
3
4
4
2
5
1
3
14
5
8
6
4
9
8
4
5
5
9
13
14
7
4
11
5
10
12
FIT
1:1
100%

Артикул

Название

Примечание

Количество

1

500380113

UNION

2

855051119

O-RING

3

855051018

O-RING

4

392860013

HOSE

4

392860042

HOSE

5

392860012

HOSE

5

392860041

HOSE

6

312708621

BUSHING

7

395002005

HYDRAULIC JACK, ASSY

8

855051018

O-RING

9

860010007

FITTING

10

390597067

PIN

11

801105159

SCREW

12

801880212

SELF-LOCKING NUT

13

312708617

PIN

14

802270017

SNAP RING

Выбрано товаров: 16