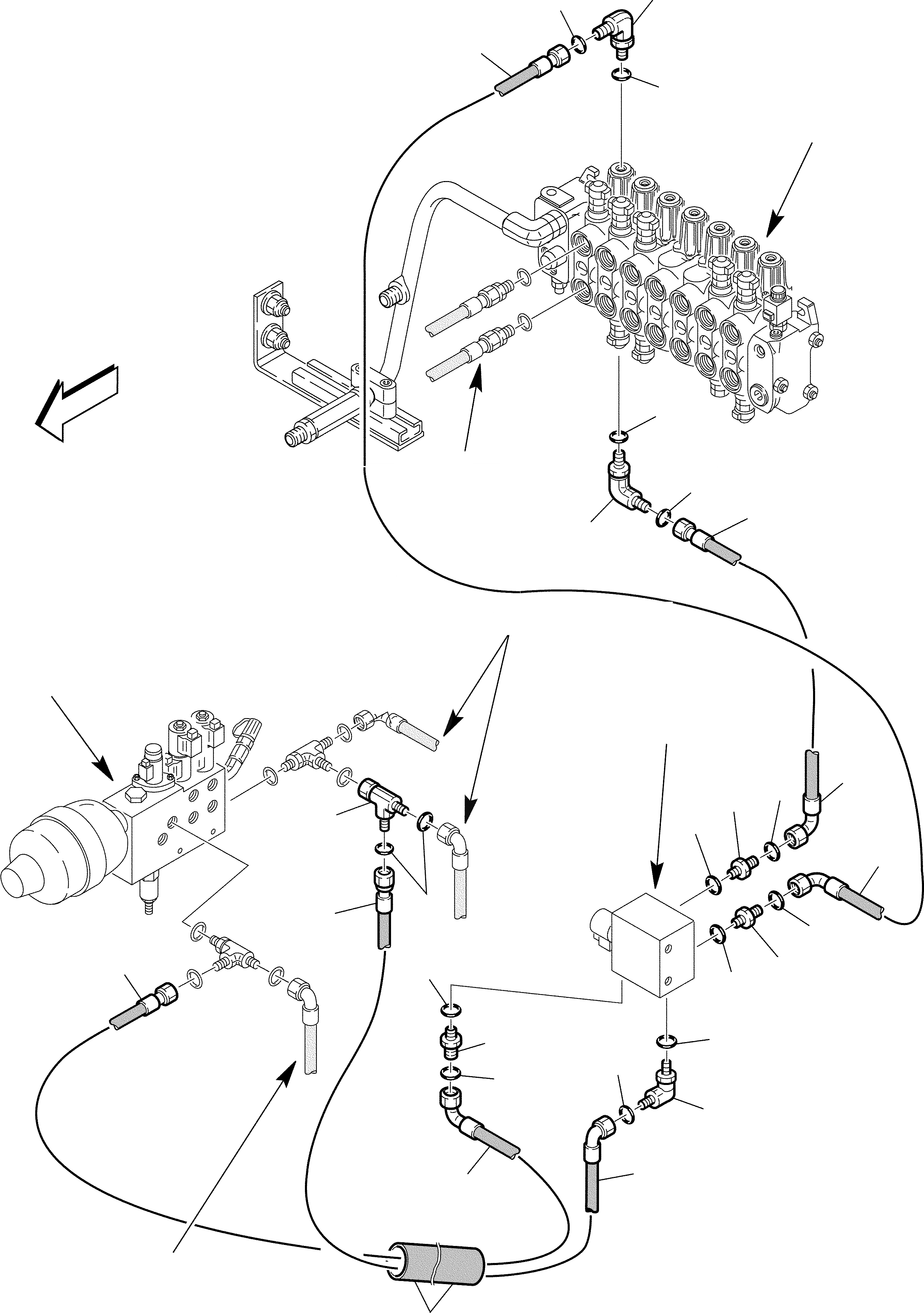
Запчасти Komatsu WB97S-2 ГИДРОЛИНИЯ (ЦИЛИНДР СТРЕЛЫ С БОК. СМЕЩЕНИЕМ) (С PPC) ГИДРАВЛИКА РАБОЧЕЕ ОБОРУДОВАНИЕ

Схема запчастей Komatsu WB97S-2 - ГИДРОЛИНИЯ (ЦИЛИНДР СТРЕЛЫ С БОК. СМЕЩЕНИЕМ) (С PPC) ГИДРАВЛИКА РАБОЧЕЕ ОБОРУДОВАНИЕ
1
3
A
B
4
C
2
D
E
E
2
3
5
1
5
8
6
7
13
4
14
12
8
15
18
6
7
17
10
11
19
9
12
15
16
FIT
1:1
100%

Артикул

Название

Примечание

Количество

1

500352116

ELBOW

2

855051111

O-RING

3

855670016

O-RING

4

392078010

HOSE

5

392078009

HOSE

6

500351756

UNION

7

855051113

O-RING

8

855670016

O-RING

9

500352110

ELBOW

10

855051113

O-RING

11

855051011

O-RING

12

392368152

HOSE

13

500355912

'T'' UNION

14

855051011

O-RING

15

392078012

HOSE

16

312693671

PROTECTION

17

312693723

UNION

18

855051113

O-RING

19

855670016

O-RING

Выбрано товаров: 0