Запчасти Komatsu WB97S-2 ГИДРАВЛ КОНТУР ДЛЯ POSITIONABLE ПОВОРОТН.ING КОВШ (/) ГИДРАВЛИКА РАБОЧЕЕ ОБОРУДОВАНИЕ

Схема запчастей Komatsu WB97S-2 - ГИДРАВЛ КОНТУР ДЛЯ POSITIONABLE ПОВОРОТН.ING КОВШ (/) ГИДРАВЛИКА РАБОЧЕЕ ОБОРУДОВАНИЕ
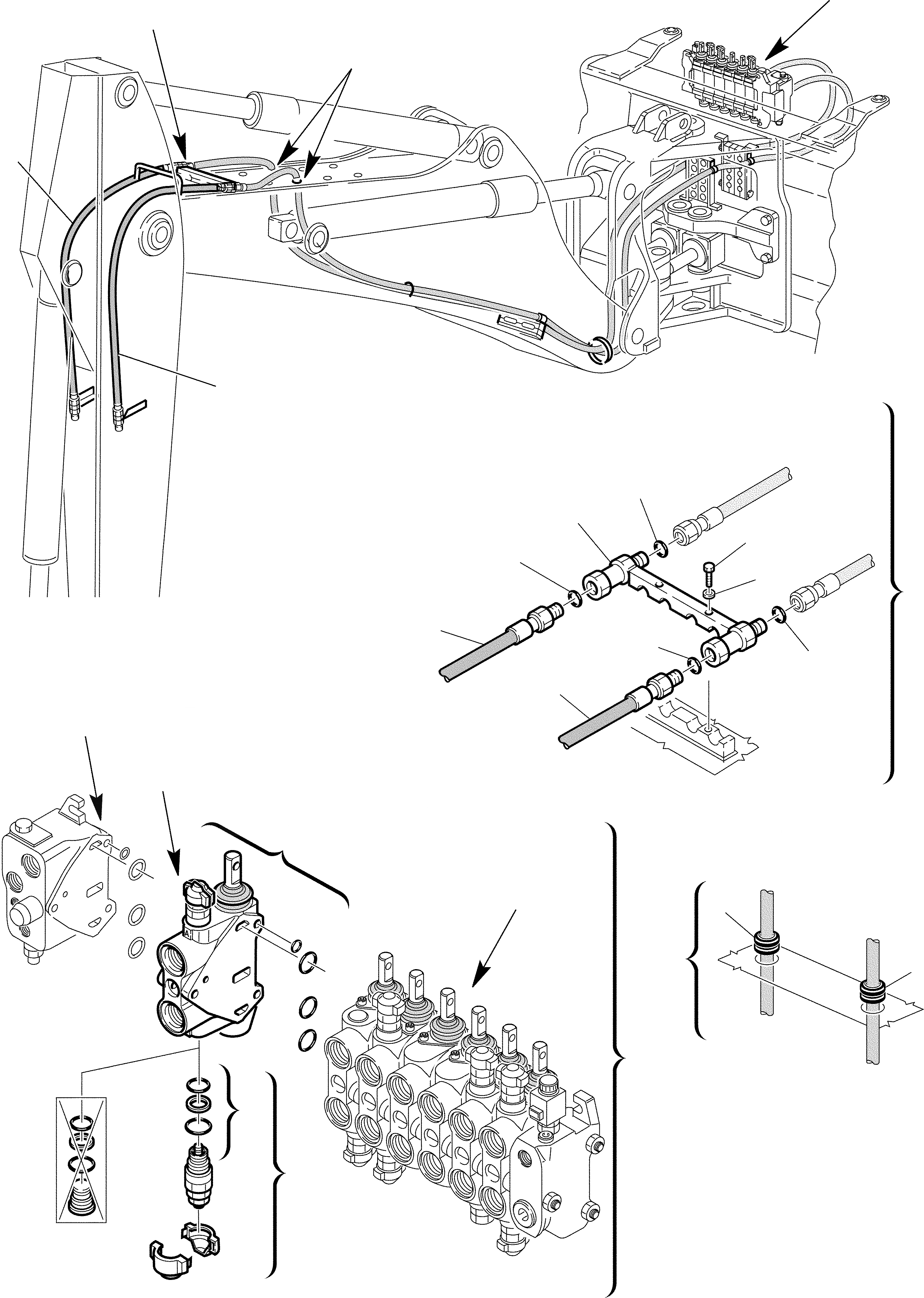
A
A
B
B
C
C
A
A
B
2
2
5
4
6
3
7
2
3
5
2
8
1
1
10
9
FIT
1:1
100%

Артикул

Название

Примечание

Количество

1

312708621

RUBBER

2

392861008

HOSE

3

855051018

O-RING

4

312708054

EXTENSION

5

855051018

O-RING

6

801015089

BOLT

7

802170001

WASHER

8

844200710

BLOCK, HAMMER CONTROL ASSY

9

844200422

SECONDARY VALVE

10

844200174

GASKET KIT

Выбрано товаров: 10