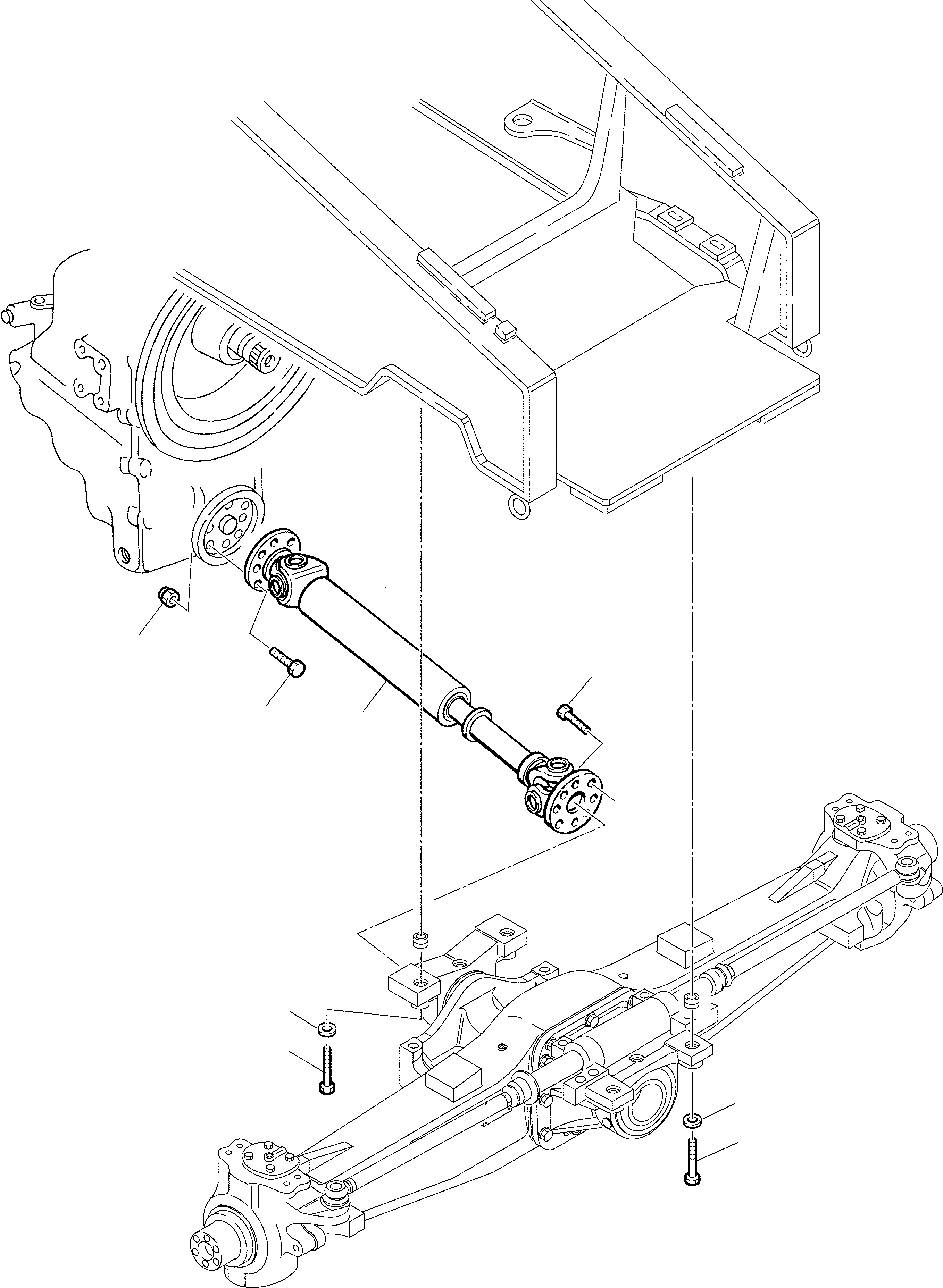
Запчасти Komatsu WB97S-2 ПЕРЕДН. КАРДАНН. ВАЛ И ПЕРЕДНИЙ МОСТ КРЕПЛЕНИЕ РАМА

Схема запчастей Komatsu WB97S-2 - ПЕРЕДН. КАРДАНН. ВАЛ И ПЕРЕДНИЙ МОСТ КРЕПЛЕНИЕ РАМА
6
4
5
3
2
1
2
1
FIT
1:1
100%

Артикул

Название

Примечание

Количество

1

801015657

BOLT

2

802170007

WASHER

3

312606055

SHAFT

4

801025031

BOLT

5

801015556

BOLT

6

801880001

SELF-LOCKING NUT

Выбрано товаров: 6