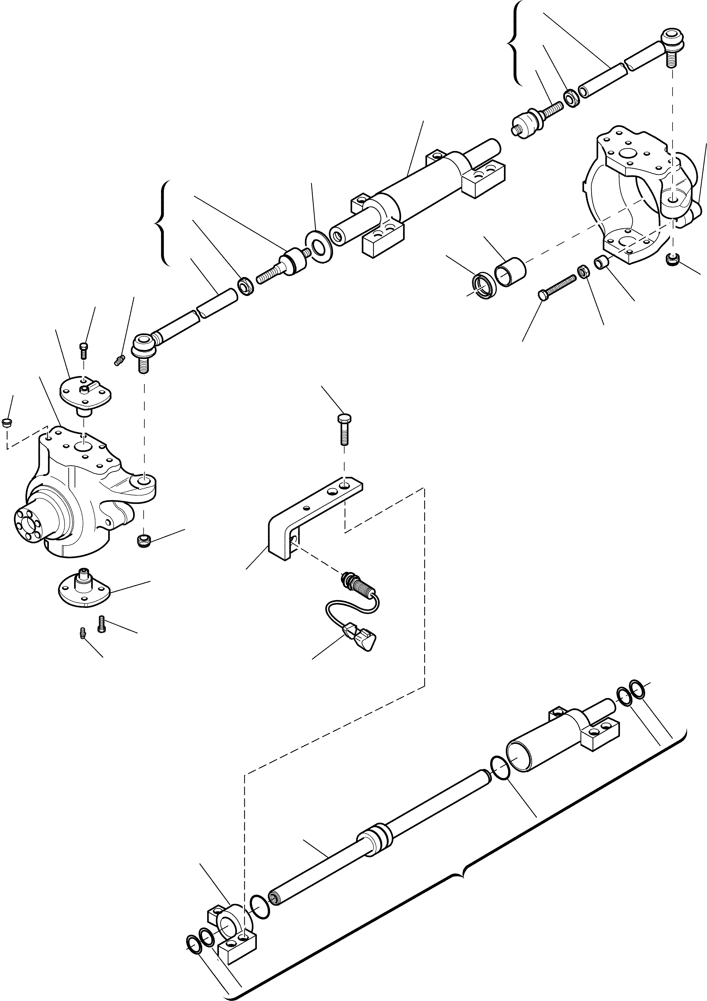
Запчасти Komatsu WB97S-2 ПЕРЕДНИЙ МОСТ (/7) РАМА

Схема запчастей Komatsu WB97S-2 - ПЕРЕДНИЙ МОСТ (/7) РАМА
11
10
8
9
13
14
12
9
10
8
16
15
11
7
1
2
19
3
18
17
4
20
5
7
21
6
2
22
1
24
23
25
FIT
1:1
100%

Артикул

Название

Примечание

Количество

\0

200040629

FRONT AXLE, ASSY

1

CA0024210

GREASER NIPPLE

2

CA0126923

BOLT

3

CA0130631

KING PIN

4

CA0145037

LEFT SWIVEL HOUSING

5

CA0030755

PLUG

6

CA0130632

KING PIN

7

CA0022446

NUT

8

CA0140921

STEERING ARM ASSY

9

CA0351504

BALL JOINT

10

CA0070787

NUT

11

CA0351968

TIE ROD

12

CA0139103

WASHER

13

CA0137955

STEERING CYLINDER

14

CA0145038

RIGHT SWIVEL HOUSING

15

CA0140224

SEAL RING

16

CA0125161

BUSH

17

CA0124748

BOLT

18

CA0022129

NUT

19

CA0128278

BUSH

20

CA0021231

BOLT

21

CA0139105

BRACKET

22

CA0139107

SENSOR

23

CA0049082

CYLINDER HEAD

24

CA0049081

ROD

25

CA0049080

SEAL KIT

Выбрано товаров: 26