Качественные детали и логистика
Оригинальные и аналоговые запчасти с доставкой по России, Казахстану и Беларуси
©2022 PartSell ООО "Система" ИНН 2463123282 ОГРН 1212400004838
Центральный офис: г. Красноярск, Академика Киренского, д.87, пом.4
Телефон: 8 (800) 777-65-74 Email: zakaz@partsell.ru
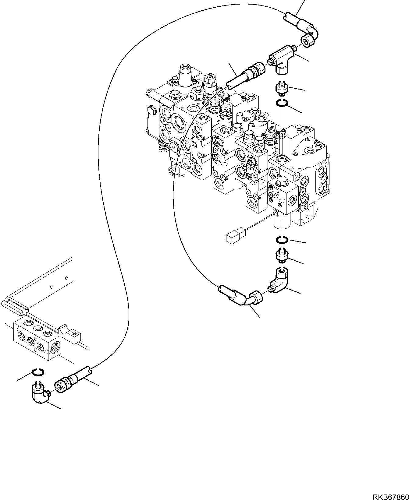
ГИДРОЛИНИЯ (ГЛАВН. ВОЗВРАТ. ЛИНИЯ)
№
Артикул
Название
Примечание
Количество
1
21D-09-51600
ELBOW
2
21D-09-69960
O-RING
3
21D-09-56850
TEE
4
37D-09-2U154
UNION
5
37B-09-88006
6
42N-62-12161
HOSE
7
21D-09-55610
8
42N-62-15170
Выбрано товаров: 0