Качественные детали и логистика
Оригинальные и аналоговые запчасти с доставкой по России, Казахстану и Беларуси
©2022 PartSell ООО "Система" ИНН 2463123282 ОГРН 1212400004838
Центральный офис: г. Красноярск, Академика Киренского, д.87, пом.4
Телефон: 8 (800) 777-65-74 Email: zakaz@partsell.ru
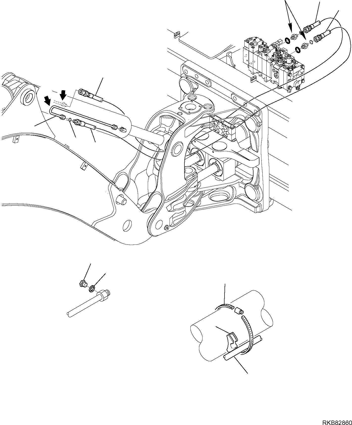
ГИДРОЛИНИЯ (ЦИЛИНДР СТРЕЛЫ)
№
Артикул
Название
Примечание
Количество
1
42N-62-12370
PIPE
2
22E-62-11570
U-BOLT
3
21D-09-82530
CLAMP
4
42N-62-12730
HOSE
5
42N-62-14681
6
02896-11018
O-RING
7
21D-09-55120
PLUG
8
22L-62-24660
GASKET
Выбрано товаров: 0