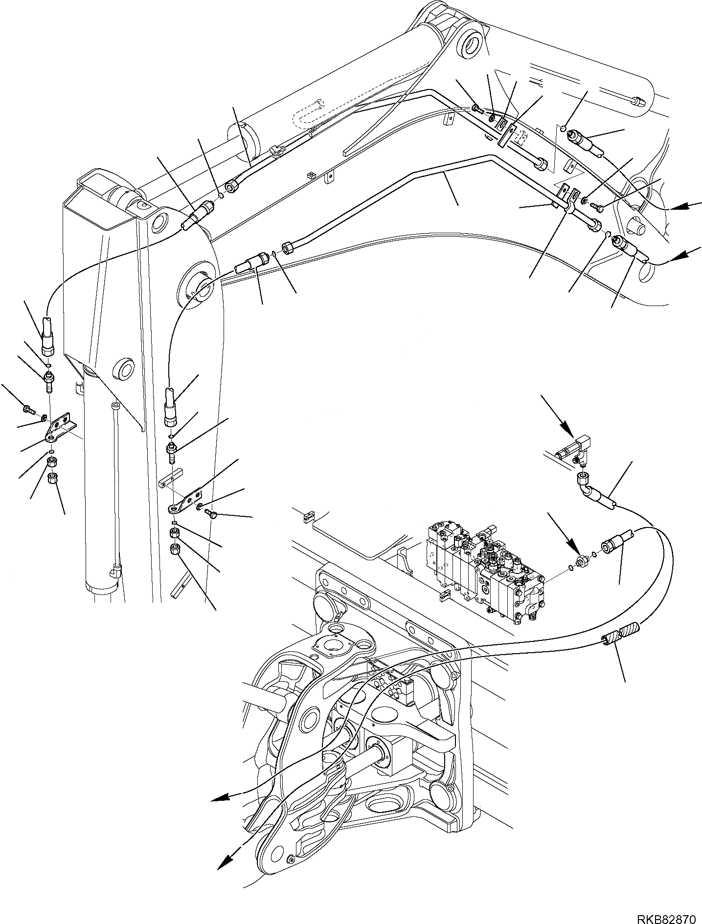
Запчасти Komatsu WB97S-5E0 ГИДРОЛИНИЯ (МОЛОТ) РАБОЧЕЕ ОБОРУДОВАНИЕ ГИДРАВЛИКА

Схема запчастей Komatsu WB97S-5E0 - ГИДРОЛИНИЯ (МОЛОТ) РАБОЧЕЕ ОБОРУДОВАНИЕ ГИДРАВЛИКА
26
25
24
28
23
22
27
21
20
7
6
4
3
5
20
2
9
8
1
18
17
8
14
11
10
15
13
27
19
18
15
17
14
16
11
10
1
12
29
a
a
b
b
A
B
FIT
1:1
100%

Артикул

Название

Примечание

Количество

1

42N-62-14530

HOSE

2

02896-11018

O-RING

3

42N-62-14810

PIPE

4

42N-62-14241

PLATE

5

42N-62-14231

CLAMP

6

01016-51030

BOLT

7

01643-11032

WASHER

8

42N-62-14951

HOSE

9

02896-11018

O-RING

10

226-09-12490

UNION

11

02896-11018

O-RING

12

02789-10628

PLUG

13

42N-43-12760

BENT

14

01010-81020

BOLT

15

01643-11032

WASHER

16

226-09-12420

PLUG

17

226-09-12470

UNION

18

37B-09-15021

O-RING

19

42N-43-12750

BENT

20

42N-62-14961

HOSE

21

37B-09-15021

O-RING

22

42N-62-14820

PIPE

23

42N-62-14241

PLATE

24

42N-62-14221

CLAMP

25

01016-51030

BOLT

26

01643-11032

WASHER

27

42N-62-14521

HOSE

28

37B-09-15021

O-RING

29

42N-62-17150

PROTECTION

Выбрано товаров: 29