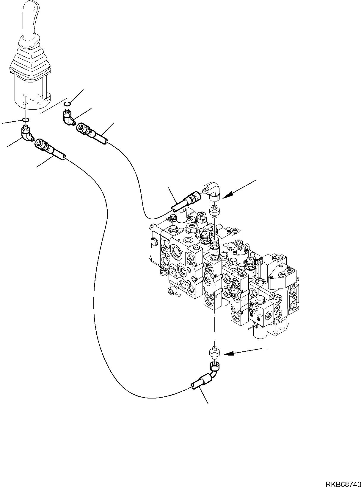
Запчасти Komatsu WB97S-5E0 ГИДРОЛИНИЯ (СЕРВОУПРАВЛ. ЛИНИЯ) (ЦИЛИНДР ПОВОРОТА СТРЕЛЫ ЛИНИЯ) РАБОЧЕЕ ОБОРУДОВАНИЕ ГИДРАВЛИКА

Схема запчастей Komatsu WB97S-5E0 - ГИДРОЛИНИЯ (СЕРВОУПРАВЛ. ЛИНИЯ) (ЦИЛИНДР ПОВОРОТА СТРЕЛЫ ЛИНИЯ) РАБОЧЕЕ ОБОРУДОВАНИЕ ГИДРАВЛИКА
2
1
3
2
1
4
3
4
A
A
FIT
1:1
100%

Артикул

Название

Примечание

Количество

1

22E-09-11550

ELBOW

2

21D-09-69960

O-RING

3

42N-62-14840

HOSE

4

42N-62-14860

HOSE

Выбрано товаров: 4