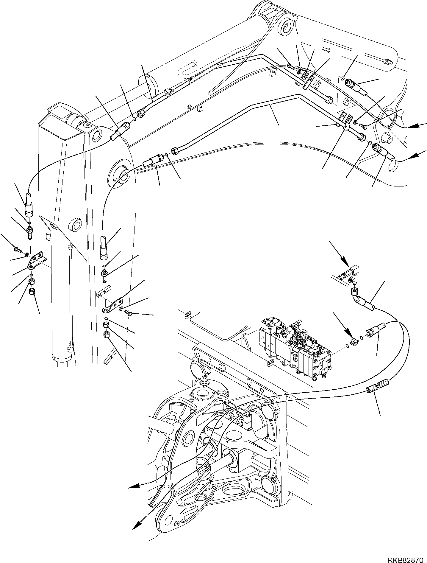
Запчасти Komatsu WB97S-5E0 ГИДРОЛИНИЯ (МОЛОТ) РАБОЧЕЕ ОБОРУДОВАНИЕ ГИДРАВЛИКА
26
25
24
28
23
22
27
21
20
7
6
4
3
5
20
2
9
8
1
18
17
8
14
11
10
15
13
27
19
18
15
17
14
16
11
10
1
12
29
a
a
b
b
A
B
1
42N-62-14530
HOSE
2
02896-11018
O-RING
3
42N-62-14810
PIPE
4
42N-62-14241
PLATE
5
42N-62-14231
CLAMP
6
01016-51030
BOLT
7
01643-11032
WASHER
8
42N-62-14951
HOSE
9
02896-11018
O-RING
10
226-09-12490
UNION
11
02896-11018
O-RING
12
02789-10628
PLUG
13
42N-43-12760
BENT
14
01010-81020
BOLT
15
01643-11032
WASHER
16
226-09-12420
PLUG
17
226-09-12470
UNION
18
37B-09-15021
O-RING
19
42N-43-12750
BENT
20
42N-62-14961
HOSE
21
37B-09-15021
O-RING
22
42N-62-14820
PIPE
23
42N-62-14241
PLATE
24
42N-62-14221
CLAMP
25
01016-51030
BOLT
26
01643-11032
WASHER
27
42N-62-14521
HOSE
28
37B-09-15021
O-RING
29
42N-62-17150
PROTECTION
Выбрано товаров: 0