Запчасти Komatsu WB97S-5E0 ГИДРОЛИНИЯ (СЕРВОУПРАВЛ. ЛИНИЯ) (ПОГРУЗ. КОВШ ПОДЪЕМ И ОПРОКИД. ЛИНИЯ) РАБОЧЕЕ ОБОРУДОВАНИЕ ГИДРАВЛИКА

Схема запчастей Komatsu WB97S-5E0 - ГИДРОЛИНИЯ (СЕРВОУПРАВЛ. ЛИНИЯ) (ПОГРУЗ. КОВШ ПОДЪЕМ И ОПРОКИД. ЛИНИЯ) РАБОЧЕЕ ОБОРУДОВАНИЕ ГИДРАВЛИКА
2
2
3
1
4
2
2
5
B
7
6
5
7
6
1
1
A
B
A
FIT
1:1
100%

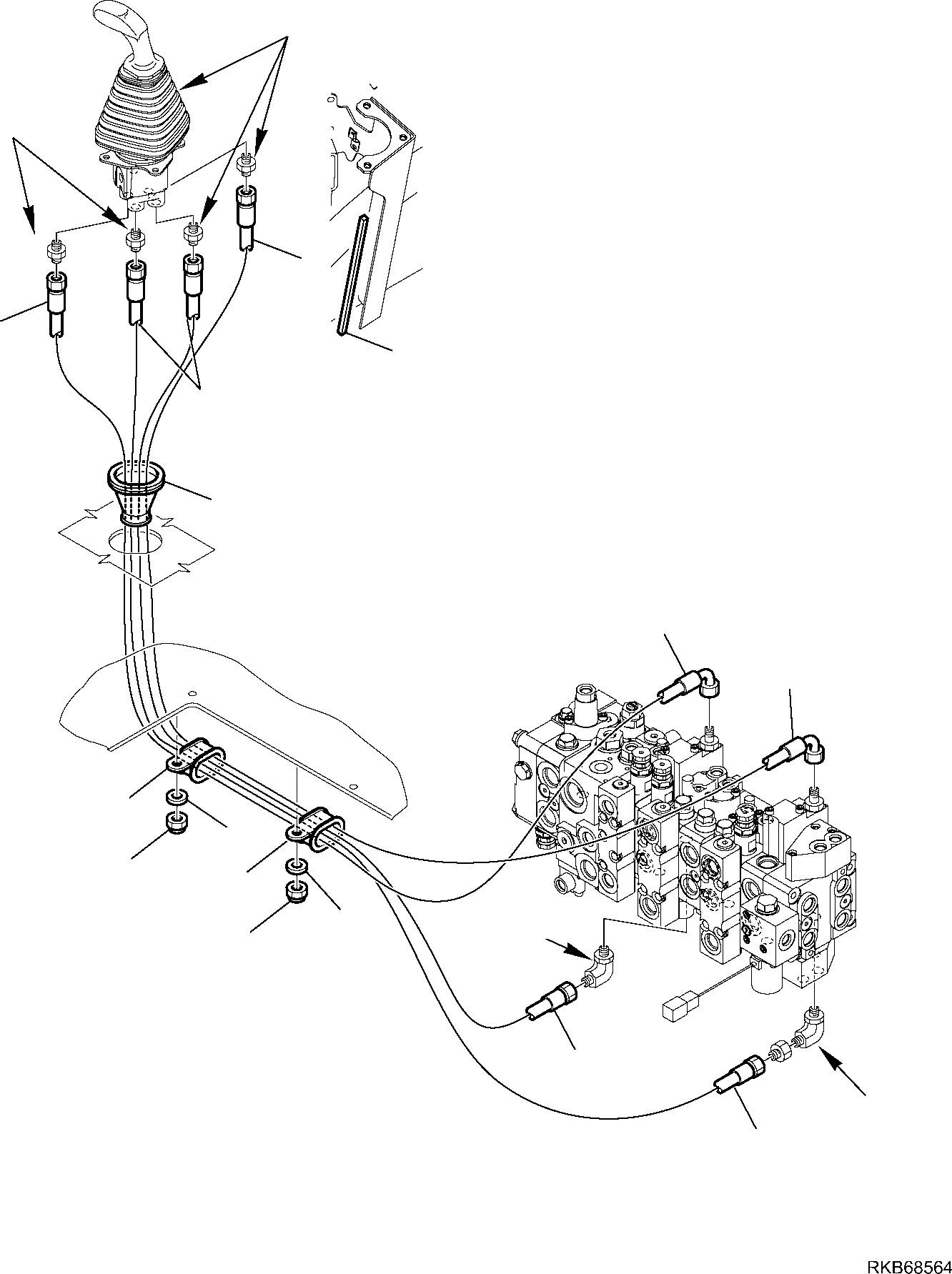
Артикул

Название

Примечание

Количество

1

42N-62-11950

HOSE

2

42N-62-11870

HOSE

3

42N-62-15330

GASKET

4

22M-62-21341

GASKET

5

37A-09-5N505

CLAMP

6

21D-09-24190

NUT

7

01643-11032

WASHER

Выбрано товаров: 7