Качественные детали и логистика
Оригинальные и аналоговые запчасти с доставкой по России, Казахстану и Беларуси
©2022 PartSell ООО "Система" ИНН 2463123282 ОГРН 1212400004838
Центральный офис: г. Красноярск, Академика Киренского, д.87, пом.4
Телефон: 8 (800) 777-65-74 Email: zakaz@partsell.ru
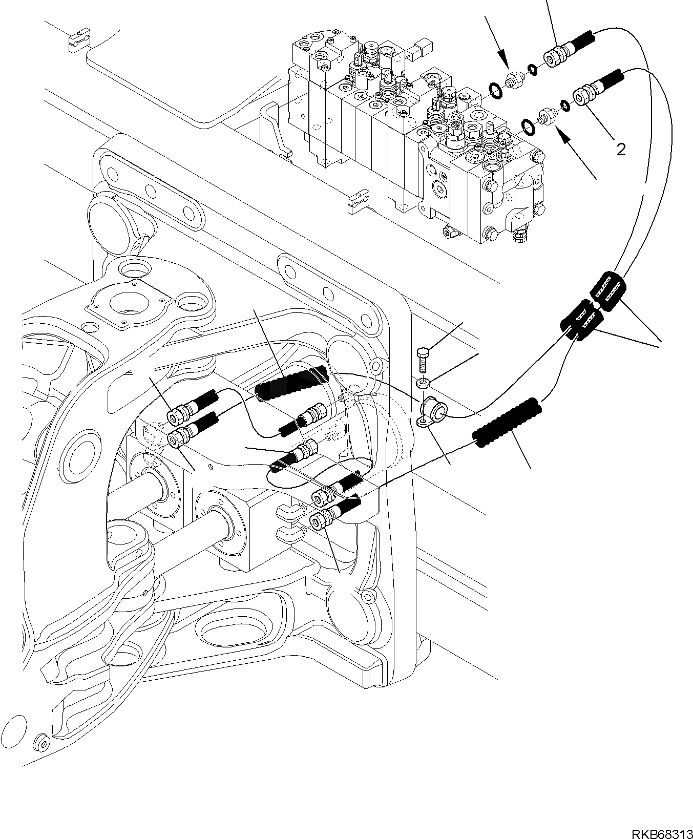
ГИДРОЛИНИЯ (ЦИЛИНДР ПОВОРОТА СТРЕЛЫ ЛИНИЯ)
№
Артикул
Название
Примечание
Количество
1
42N-62-13490
HOSE
2
42N-62-13990
3
42N-62-13511
4
04434-52310
CLAMP
5
42N-62-17440
PROTECTION
6
42N-62-14452
COVER
7
01252-71025
BOLT
8
01643-31032
WASHER
Выбрано товаров: 0