Запчасти Komatsu WB97S-5E0 ГИДРОЛИНИЯ (СЕРВОУПРАВЛ. ЛИНИЯ) (СТРЕЛА С БОКОВ. СМЕЩЕНИЕМ ЛИНИЯ) (С ТЕЛЕСКОПИЧЕСК. РУКОЯТЬ) (/) РАБОЧЕЕ ОБОРУДОВАНИЕ ГИДРАВЛИКА

Схема запчастей Komatsu WB97S-5E0 - ГИДРОЛИНИЯ (СЕРВОУПРАВЛ. ЛИНИЯ) (СТРЕЛА С БОКОВ. СМЕЩЕНИЕМ ЛИНИЯ) (С ТЕЛЕСКОПИЧЕСК. РУКОЯТЬ) (/) РАБОЧЕЕ ОБОРУДОВАНИЕ ГИДРАВЛИКА
9
10
8
3
1
7
10
8
2
5
6
2
1
6
7
3
5
4
9
a
a
b
b
c
c
d
d
FIT
1:1
100%

Артикул

Название

Примечание

Количество

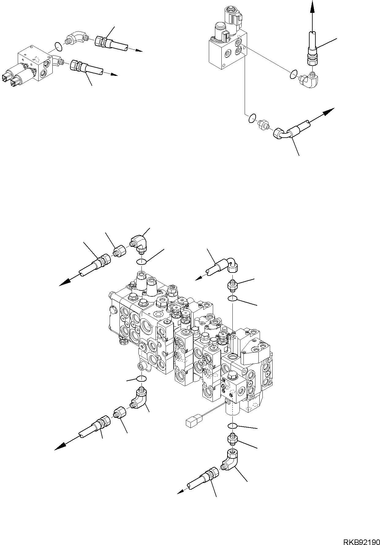
1

22E-09-11310

ELBOW

2

37B-09-88006

O-RING

3

42N-62-15110

HOSE

4

21D-09-55610

ELBOW

5

37D-09-2U154

UNION

6

37B-09-88006

O-RING

7

42N-62-15960

VALVE

8

42N-63-12310

HOSE

9

42N-63-12290

HOSE

10

42N-62-18620

HOSE

Выбрано товаров: 10