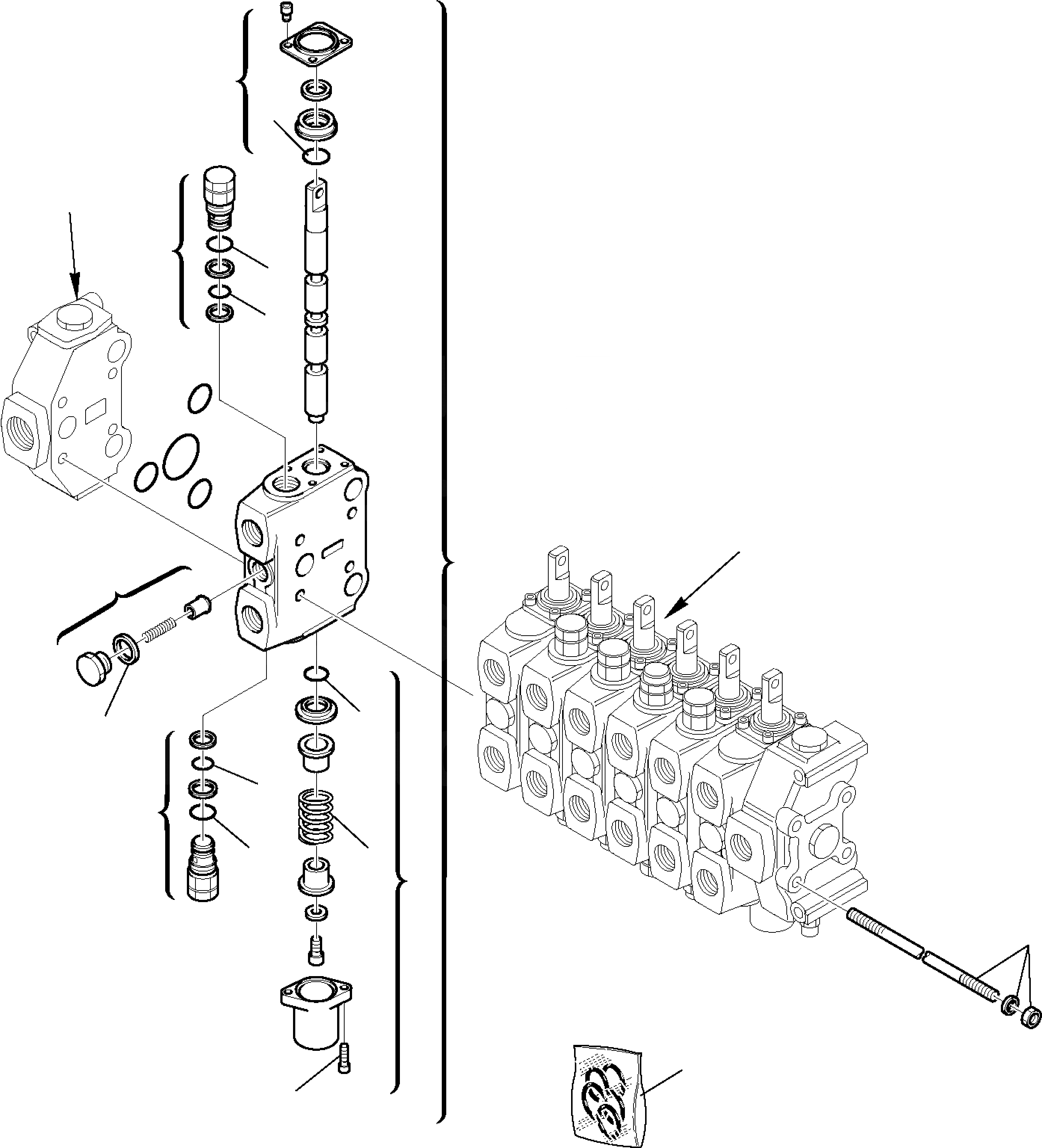
Запчасти Komatsu WB98A-2 КЛАПАН УПРАВЛ-Я ЭКСКАВАТОРОМ (ВЫХОДН.) УПРАВЛ-Е РАБОЧИМ ОБОРУДОВАНИЕМ

Схема запчастей Komatsu WB98A-2 - КЛАПАН УПРАВЛ-Я ЭКСКАВАТОРОМ (ВЫХОДН.) УПРАВЛ-Е РАБОЧИМ ОБОРУДОВАНИЕМ
2
4
3
5
6
1
7
8
6
12
4
5
11
9
14
10
13
A
A
FIT
1:1
100%

Артикул

Название

Примечание

Количество

\0

844010254

CONTROL VALVE, ASSY.

1

844100457

ELEMENT, ASSY

2

844100445

PROTECTION, ASSY.

3

855021117

O-RING

4

844100458

VALVE, ASSY.

5

855021021

O-RING

6

855021019

O-RING

7

844100444

VALVE, ASSY.

8

844100376

GASKET

9

844100442

SPOOL RETURN UNIT

10

801104077

SCREW

11

844100443

SPRING

12

855021117

O-RING

13

844100456

TIE-ROD, ASSY.

14

844100455

KIT, GASKET

Выбрано товаров: 0