Запчасти Komatsu WB98A-2 ОБОРУД-Е (ГЕРМАН. ВЕРСИЯ) (/) МАРКИРОВКА

Схема запчастей Komatsu WB98A-2 - ОБОРУД-Е (ГЕРМАН. ВЕРСИЯ) (/) МАРКИРОВКА
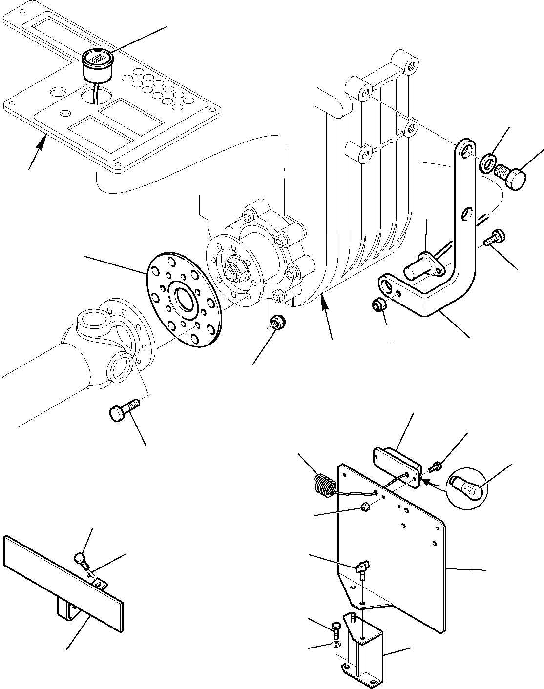
20
A
B
19
18
20
14
21
17
22
16
10
12
9
15
11
13
2
3
8
5
6
4
7
1
FIT
1:1
100%

Артикул

Название

Примечание

Количество

1

360768054

PLATE, SUPPORT

2

801015108

BOLT

3

802150510

WASHER

4

360768051

SUPPORT

5

360768619

PLATE

6

801015108

BOLT

7

802120010

SPRING WASHER

8

802640011

KNOB

9

885411139

CABLE

10

885110052

LAMP

11

885140003

BULB 7W

12

801250045

SCREW

13

801880205

NUT

14

360768622

FLANGE

15

801015112

BOLT

16

801880001

NUT

17

360768621

SUPPORT

18

801015159

BOLT

19

802150514

SPRING WASHER

20

885270648

WIRING HARNESS, ASSY.

21

801015064

BOLT

22

801880206

NUT

Выбрано товаров: 22