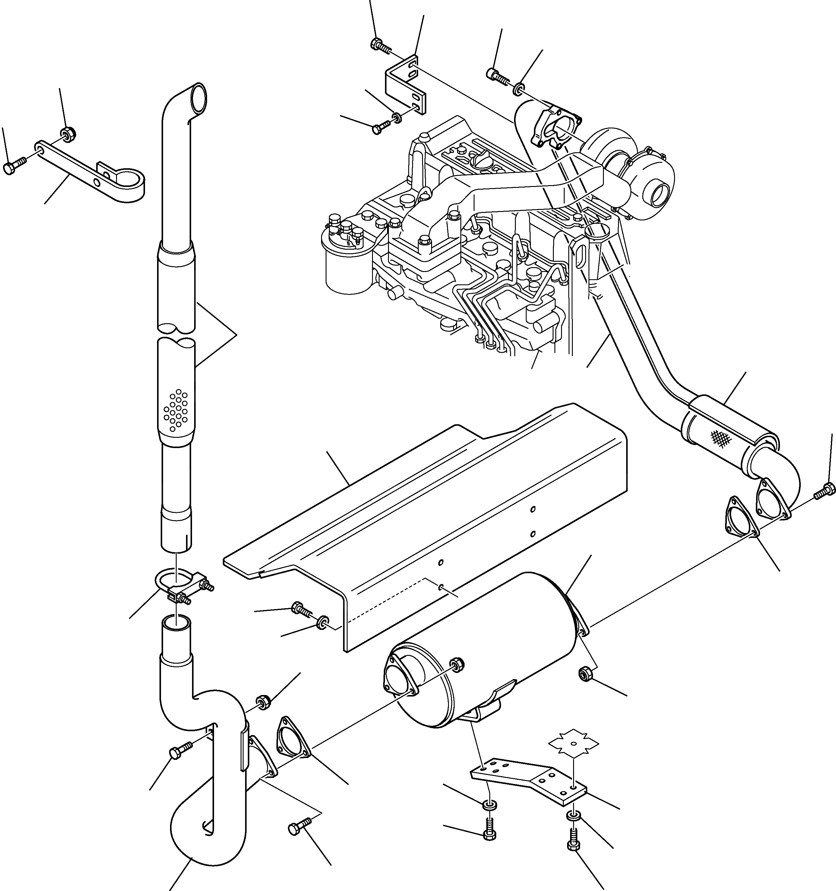
Запчасти Komatsu WB98A-2 ГЛУШИТЕЛЬ КОМПОНЕНТЫ ДВИГАТЕЛЯ И ЭЛЕКТРИКА

Схема запчастей Komatsu WB98A-2 - ГЛУШИТЕЛЬ КОМПОНЕНТЫ ДВИГАТЕЛЯ И ЭЛЕКТРИКА
21
20
17
18
4
23
22
3
2
1
19
16
7
14
9
8
15
5
12
4
4
12
8
7
10
13
12
7
11
6
FIT
1:1
100%

Артикул

Название

Примечание

Количество

1

360707054

PIPE

2

360707622

CLAMP

3

801015088

BOLT

4

801880208

NUT

5

500611594

COLLAR

6

360707100

PIPE

7

801015544

BOLT

8

360707102

GASKET

9

360707099

MUFFLER

10

360707088

SUPPORT

11

801015110

BOLT

12

802150510

SPRING WASHER

13

801015112

BOLT

14

360707656

PROTECTION

15

801015108

BOLT

16

360707091

PIPE

17

801015536

BOLT

18

802170001

SPRING WASHER

19

360707101

PROTECTION

20

360707668

SUPPORT

21

801015084

BOLT

22

801015108

BOLT

23

802148013

WASHER

Выбрано товаров: 23