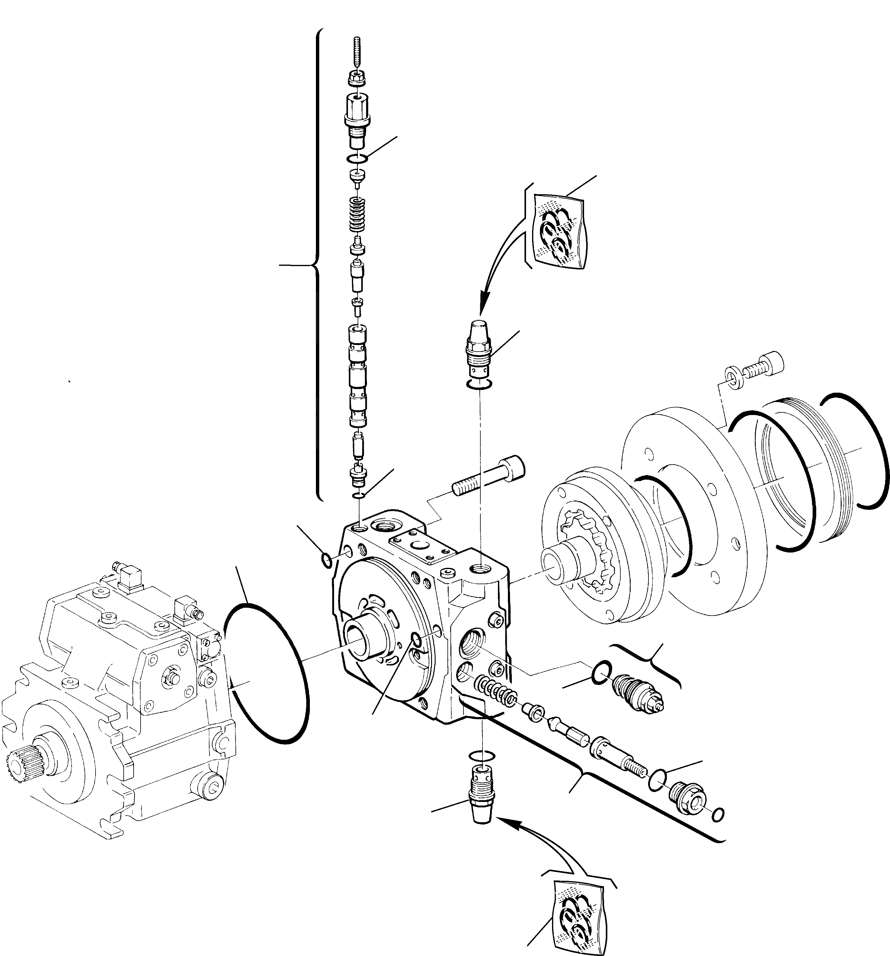
Запчасти Komatsu WB98A-2 ТРАНСМИССИЯ ГИДР. НАСОС. (/) УПРАВЛ-Е РАБОЧИМ ОБОРУДОВАНИЕМ

Схема запчастей Komatsu WB98A-2 - ТРАНСМИССИЯ ГИДР. НАСОС. (/) УПРАВЛ-Е РАБОЧИМ ОБОРУДОВАНИЕМ
6
2
5
1
7
11
8
9
10
12
4
3
1
2
FIT
1:1
100%

Артикул

Название

Примечание

Количество

\0

840220112

PUMP, ASSY.

1

840225244

RELIEF VALVE

2

840225246

KIT, GASKET

3

840225175

RELIEF VALVE

4

840225040

O-RING

5

840225176

VALVE, ASSY.

6

840225118

O-RING

7

840225050

O-RING

8

840225245

O-RING

9

840225171

VALVE, ASSY.

10

840225079

O-RING

11

842310016

O-RING

12

840225047

O-RING

Выбрано товаров: 13