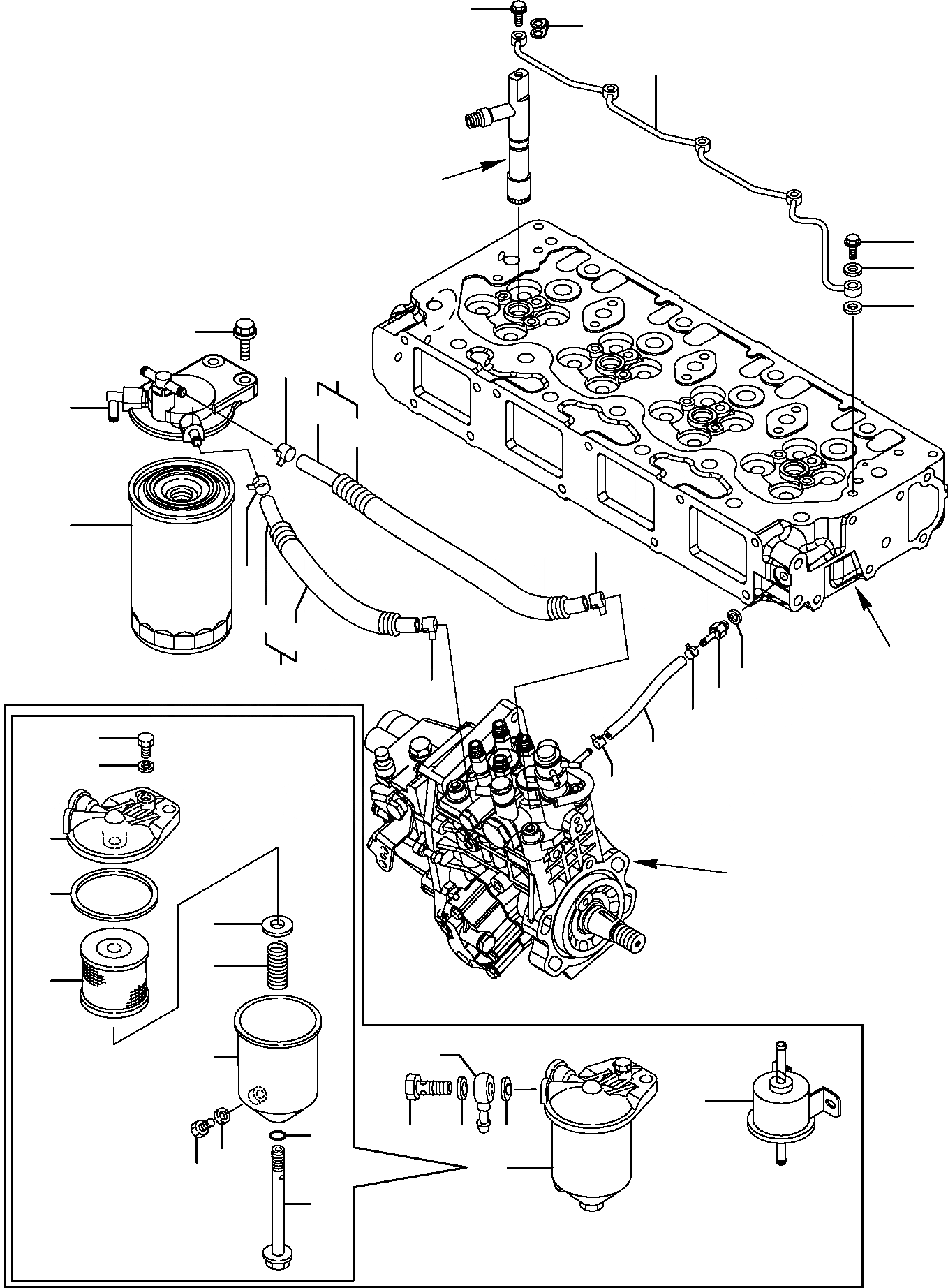
Запчасти Komatsu WB98A-2 ТОПЛИВН. ЛИНИЯ ДВИГАТЕЛЬ

Схема запчастей Komatsu WB98A-2 - ТОПЛИВН. ЛИНИЯ ДВИГАТЕЛЬ
13
15
12
19
18
18
3
10
4
1
6
5
2
10
10
9
8
7
17
10
16
11
31
14
27
11
28
22
25
30
21
32
29
35
23
34
33
33
27
20
26
24
A
B
C
FIT
1:1
100%

Артикул

Название

Примечание

Количество

\0

871070068

ENGINE, ASSY.

1

YM129004-55610

COVER

2

YM123907-55800

FILTER

3

YM26106-080302

BOLT

4

YM119160-59010

PIPE

5

YM129950-59221

PIPE

6

YM105025-59530

PIPE

7

YM129957-59040

PIPE

8

YM119560-59110

PROTECTION

9

YM129335-59090

PIPE L=500

10

YM23000-013000

CLAMP

11

YM124066-59100

CLAMP

12

YM123907-59140

PIPE, ASSY.

13

YM123907-59540

BOLT

14

YM119000-59550

PIPE

15

YM123907-59550

GASKET

16

YM123907-59560

PIPE

17

YM22190-080002

GASKET

18

YM23414-080000

GASKET

19

YM23857-030000

BOLT

20

YM120324-55750

WATER SEPARATOR

21

YM120324-55760

FILTER

22

YMX0582810173

GASKET

23

YMX0580121073

O-RING

24

YMX0311121522

BOLT

25

YMX0300120414

GASKET

26

YMX0313080110

BOLT

27

YMX0588080273

GASKET

28

YMX2740134001

COVER

29

YMX2540025002

TANK

31

YMX0314080110

PLUG

32

YM121750-59910

JOINT

33

YM22190-140002

GASKET

34

YM23857-080000

BOLT

35

YM129612-52100

FUEL FEED PUMP, ASSY.

Выбрано товаров: 0