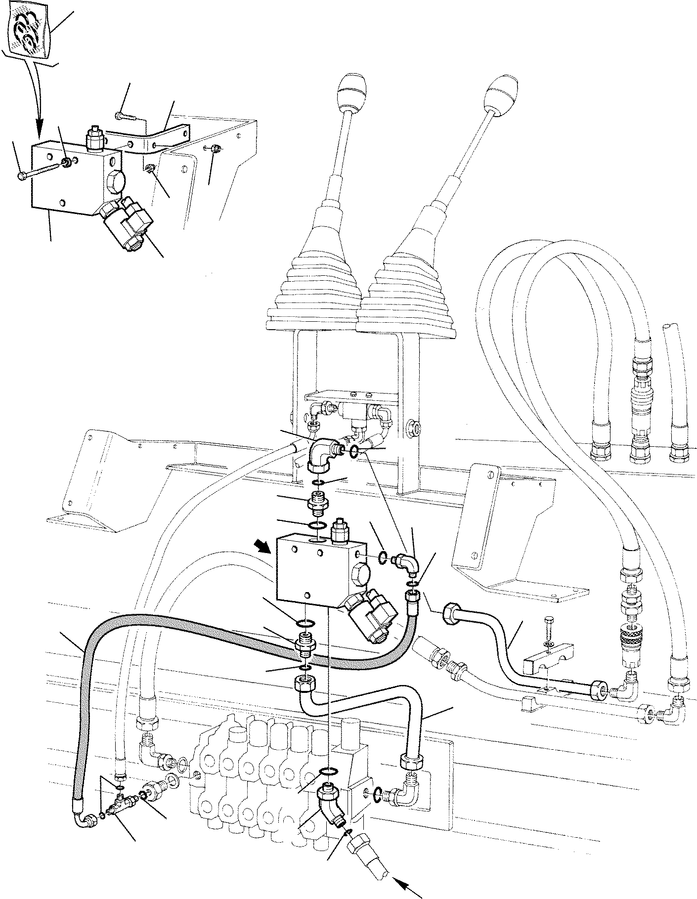
Запчасти Komatsu WB98A-2 ГИДРОЛИНИЯ МОЛОТА (/) УПРАВЛ-Е РАБОЧИМ ОБОРУДОВАНИЕМ

Схема запчастей Komatsu WB98A-2 - ГИДРОЛИНИЯ МОЛОТА (/) УПРАВЛ-Е РАБОЧИМ ОБОРУДОВАНИЕМ
2
8
7
4
3
9
5
1
6
13
14
12
10
18
17
11
19
11
15
10
20
12
16
23
25
22
24
21
26
a
a
A
FIT
1:1
100%

Артикул

Название

Примечание

Количество

1

245250077

VALVE, ASSY.

2

845250538

KIT, GASKET

3

801015552

BOLT

4

802150508

SPRING WASHER

5

801880208

NUT

6

845750003

COIL

7

314543062

SUPPORT

8

801015111

BOLT

9

801880001

NUT

10

500380115

UNION

11

855051119

O-RING

12

855051021

O-RING

13

500380465

ELBOW

14

855051021

O-RING

15

314543060

PIPE

16

314543061

PIPE

17

500380503

ELBOW

18

855051111

O-RING

19

855051012

O-RING

20

392405024

HOSE

21

500380902

TEE

22

855051111

O-RING

23

855051012

O-RING

24

500380378

UNION

25

855051119

O-RING

26

855051018

O-RING

Выбрано товаров: 26