Запчасти Komatsu 10-HT-1 ПОДДЕРЖИВАЮЩИЙ КАТОК ХОДОВАЯ

Схема запчастей Komatsu 10-HT-1 - ПОДДЕРЖИВАЮЩИЙ КАТОК ХОДОВАЯ
FIT
1:1
100%

Артикул

Название

Примечание

Количество

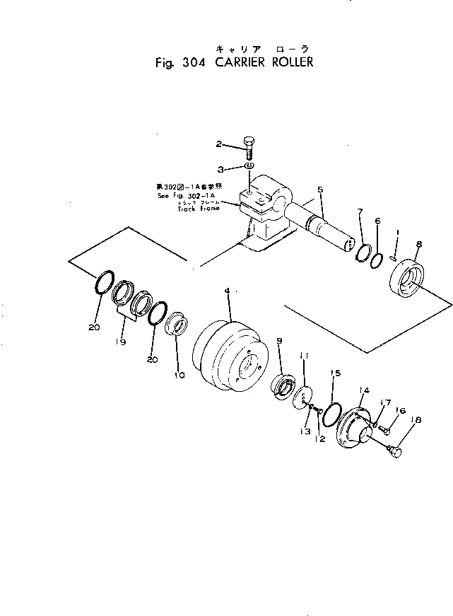
1

04020-00514

PIN

2

01010-31250

BOLT

3

01602-01236

WASHER

|4

102-30-00012

CARRIER ROLLER ASS'Y

4

102-30-11151

ROLLER

5

102-30-11141

SHAFT

6

07000-03032

O-RING

7

04064-03818

RING

8

102-30-11190

COVER

9

102-30-11160

BUSHING

10

102-30-11170

BUSHING

11

102-30-11180

PLATE

12

01010-30816

BOLT

13

01602-00825

WASHER

14

102-30-11222

COVER

15

07000-03052

O-RING

16

01010-30820

BOLT

17

01602-00825

WASHER

18

101-30-11430

BOLT

19

110-30-00045

FLOATING SEAL ASS'Y

19

101-30-00130

SEAL RING ASS'Y

|19

RING,SEAL

20

101-30-00140

O-RING ASS'Y

|20

O-RING

Выбрано товаров: 24