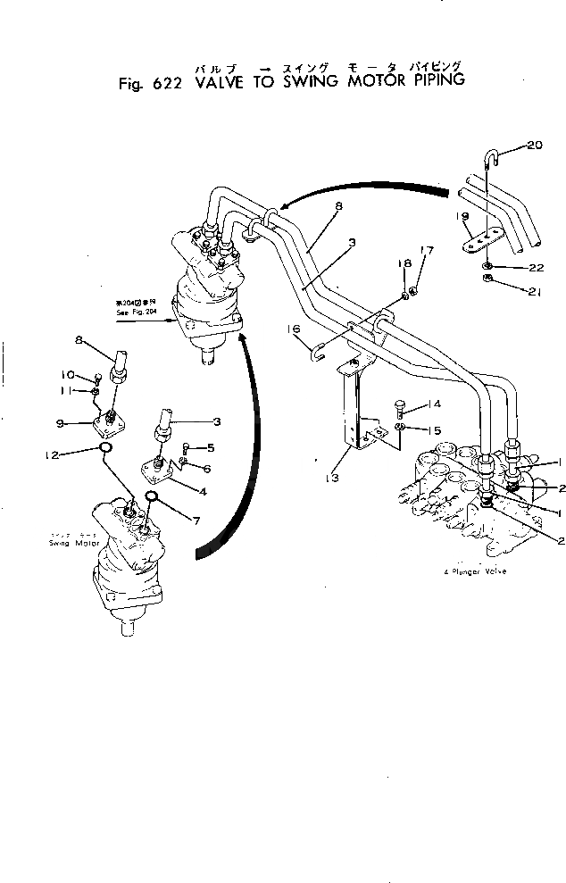
Запчасти Komatsu 10-HT-1 КЛАПАН - МОТОР ПОВОРОТА ТРУБЫ ГИДРАВЛИКА

Схема запчастей Komatsu 10-HT-1 - КЛАПАН - МОТОР ПОВОРОТА ТРУБЫ ГИДРАВЛИКА
FIT
1:1
100%

Артикул

Название

Примечание

Количество

1

201-62-11460

NIPPLE

2

201-62-11280

O-RING (KIT)

3

201-62-11421

TUBE

4

201-62-11681

FLANGE

5

01011-31000

BOLT

6

01643-01032

WASHER

7

07000-13028

O-RING (KIT)

8

201-62-11431

TUBE

9

201-62-11681

FLANGE

10

01011-31000

BOLT

11

01643-01032

WASHER

12

07000-13028

O-RING (KIT)

13

201-62-11441

BRACKET

14

01010-31225

BOLT

15

01602-01236

WASHER

16

07283-02236

CLIP

17

01599-01011

NUT

18

01643-01032

WASHER

19

201-62-11450

PLATE

20

07283-02236

CLIP

21

01599-01011

NUT

22

01643-01032

WASHER

Выбрано товаров: 22