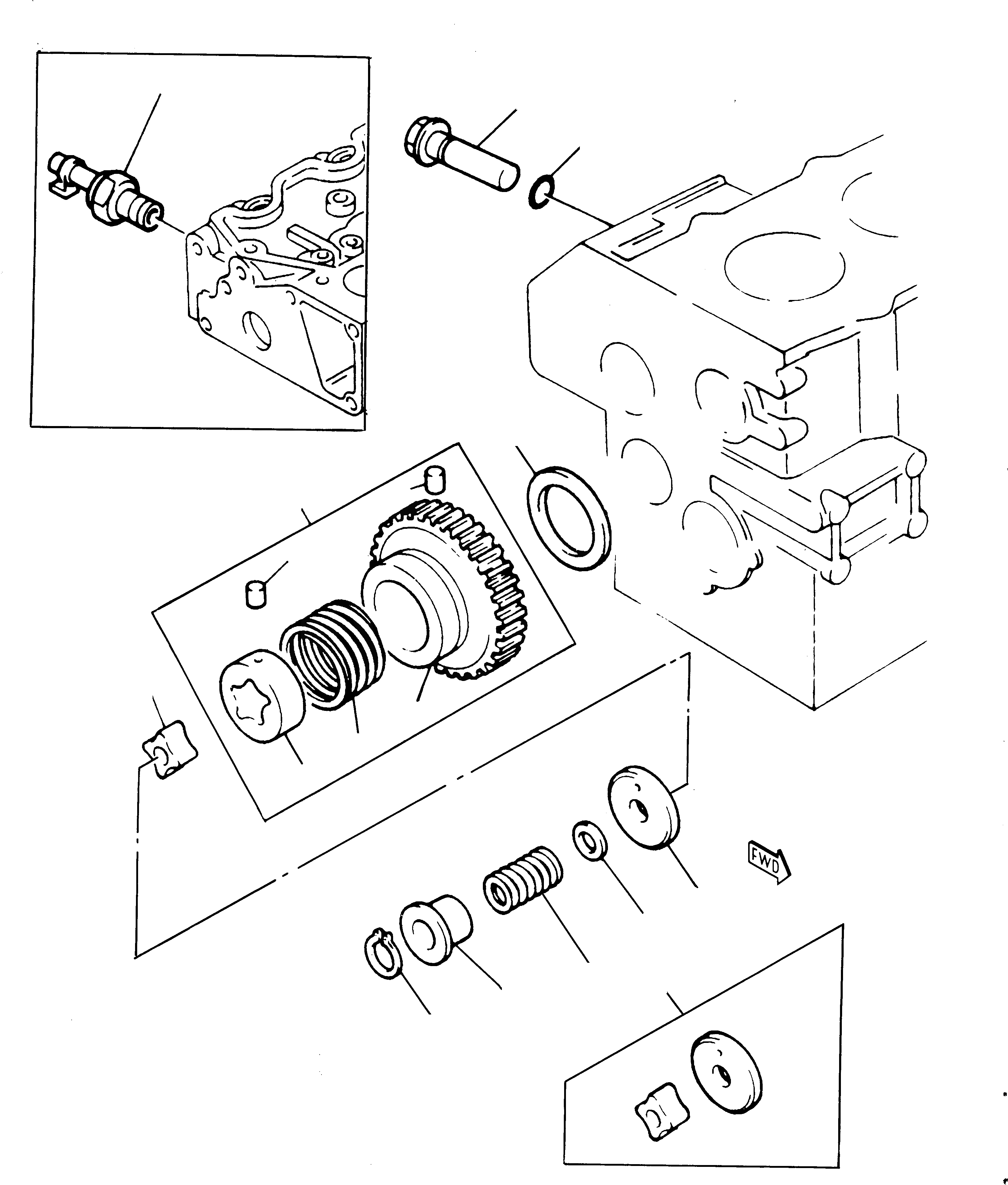
Запчасти Komatsu 212 СМАЗЫВ. НАСОС ДВИГАТЕЛЬ

Схема запчастей Komatsu 212 - СМАЗЫВ. НАСОС ДВИГАТЕЛЬ
17
14
15
13
3
1
6
7
2
4
5
8
9
10
16
11
12
FIT
1:1
100%

Артикул

Название

Примечание

Количество

1

PKP000154

GEAR

2

PKP000155

GEAR

3

PKP000156

PIN

4

PKP000157

SPRING

5

PKP000158

VANE

6

PKP000159

BUSHING

7

PKP000160

ROTOR

8

PKP000161

COVER

9

PKP000162

SHIM, 0.100 mm

9

PKP000163

SHIM, 0.150 mm

9

PKP000164

SHIM, 0.200 mm

9

PKP000165

SHIM, 0.500 mm

10

PKP000166

SPRING

11

PKP000167

COLLAR

12

PKP000168

CIRCLIP

13

PKP000169

WASHER

14

PKP000170

VALVE

15

PKP000171

O-RING

16

PKP000624

KIT, REPAIR

17

PKP000003

SWITCH

Выбрано товаров: 0