Запчасти Komatsu 212 ПАНЕЛЬ ПРИБОРОВ (СПЕЦ-Я TBG) КОМПОНЕНТЫ ДВИГАТЕЛЯ И ЭЛЕКТРИКА

Схема запчастей Komatsu 212 - ПАНЕЛЬ ПРИБОРОВ (СПЕЦ-Я TBG) КОМПОНЕНТЫ ДВИГАТЕЛЯ И ЭЛЕКТРИКА
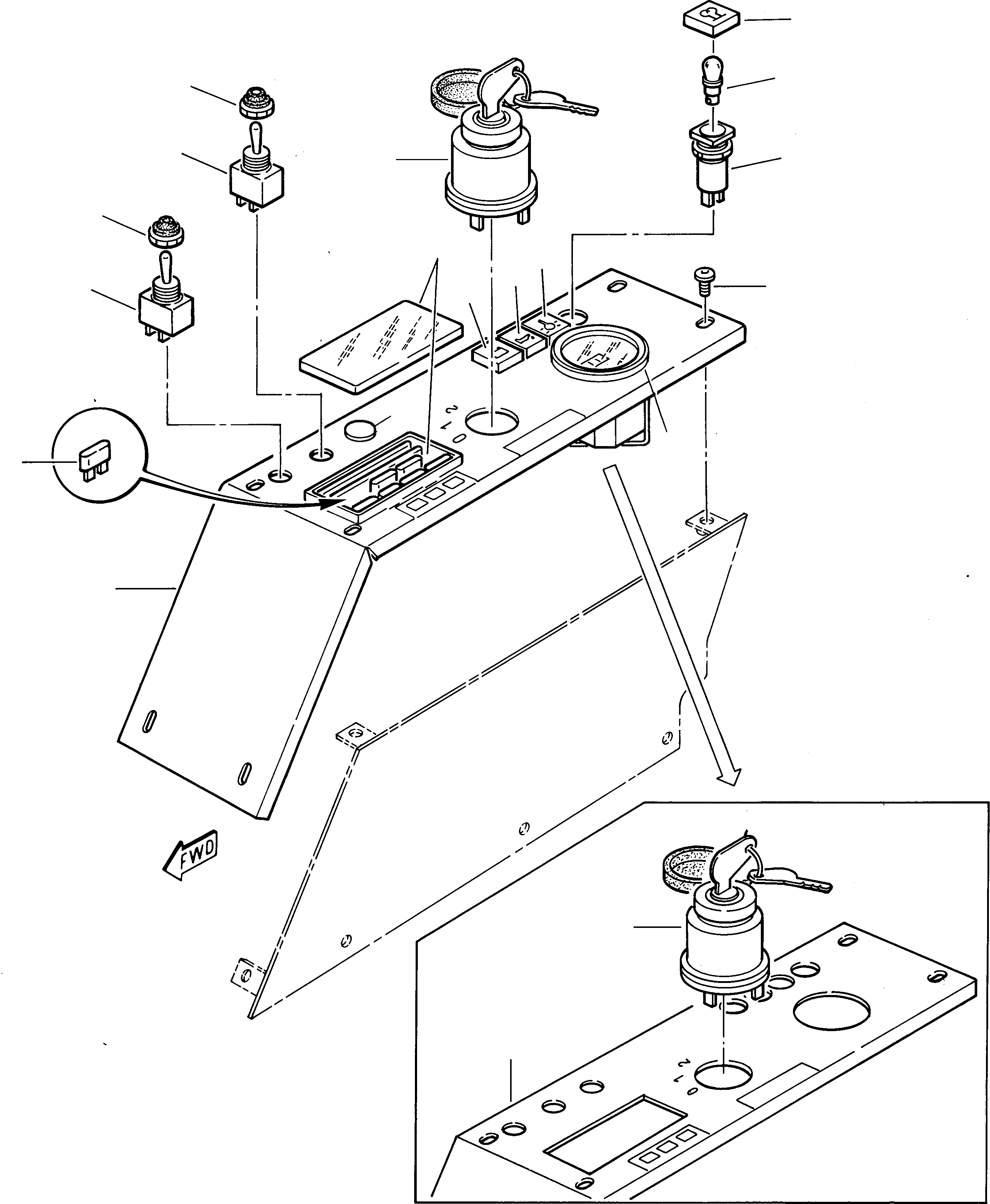
6
5
17
16
4
10
14
11
7
8
3
13
9
15
2
12
1
10
1
FIT
1:1
100%

Артикул

Название

Примечание

Количество

1

200292886

INSTRUMENT PANEL

1

200292914

INSTRUMENT PANEL

2

886040009

HOUR-METER

3

801070013

SCREW

4

885141110

WARNING LIGHT

5

885140075

BULB

6

885141132

GLASS, STARTER

7

885141122

GLASS, ENGINE WATER TEMPERATURE

8

885141120

GLASS, OIL ENGINE PRESSURE

9

885141119

GLASS, GENERATOR

10

PKP000402

SWITCH

10

885081070

STARTER SWITCH

11

885171007

BOXE, FUSE

12

885091006

FUSE 7.5A

12

885091007

FUSE 10A

12

885091008

FUSE 15A

12

885091009

FUSE 30A

13

885081048

SWITCH, LAMP

14

885411029

NUT

15

816210558

PLUG

16

885081048

SWITCH, HORN

17

885411029

NUT

Выбрано товаров: 22