Запчасти Komatsu 212 ЭЛЕКТРИКА (ЛИНИЯ ПАНЕЛИ ПРИБОРОВ) КОМПОНЕНТЫ ДВИГАТЕЛЯ И ЭЛЕКТРИКА

Схема запчастей Komatsu 212 - ЭЛЕКТРИКА (ЛИНИЯ ПАНЕЛИ ПРИБОРОВ) КОМПОНЕНТЫ ДВИГАТЕЛЯ И ЭЛЕКТРИКА
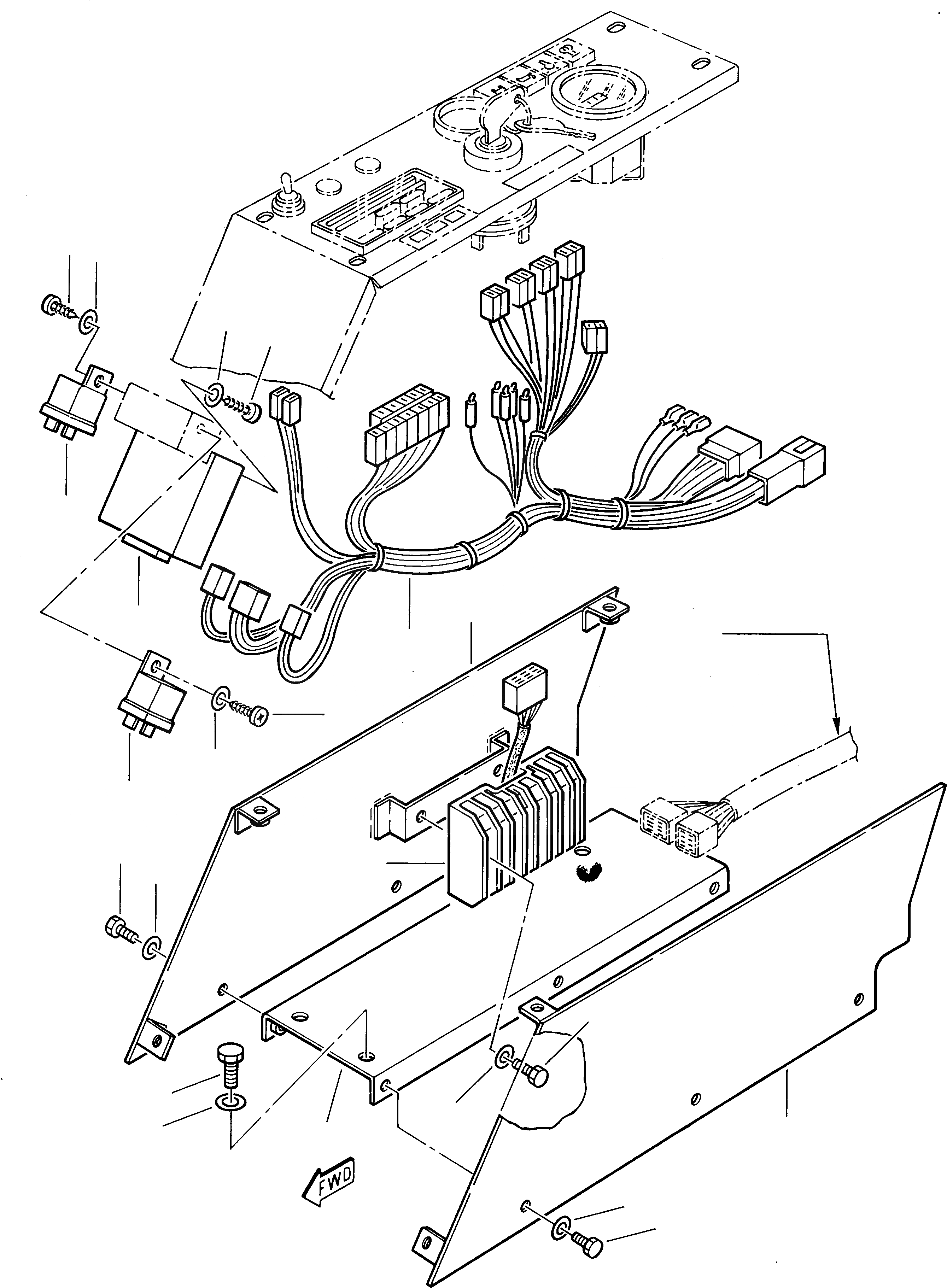
14
15
15
14
13
5
12
1
14
15
16
4
9
3
11
8
10
7
2
6
3
4
A
FIT
1:1
100%

Артикул

Название

Примечание

Количество

1

885270051

WIRING HARNESS

2

200292888

INSIDE PLATE

3

802170000

WASHER

4

801015061

BOLT

5

200292887

OUTSIDE PLATE

6

200292889

COVER

7

802170001

WASHER

8

801015084

BOLT

9

PKP000021

REGULATOR

10

802150506

SPRING WASHER

11

801014047

BOLT

12

885411104

TIMER

13

885070011

STARTING RELAY

14

801370040

SCREW

15

802070005

WASHER

16

885411064

RELAY

|A

SEE FIG. 2120

Выбрано товаров: 17