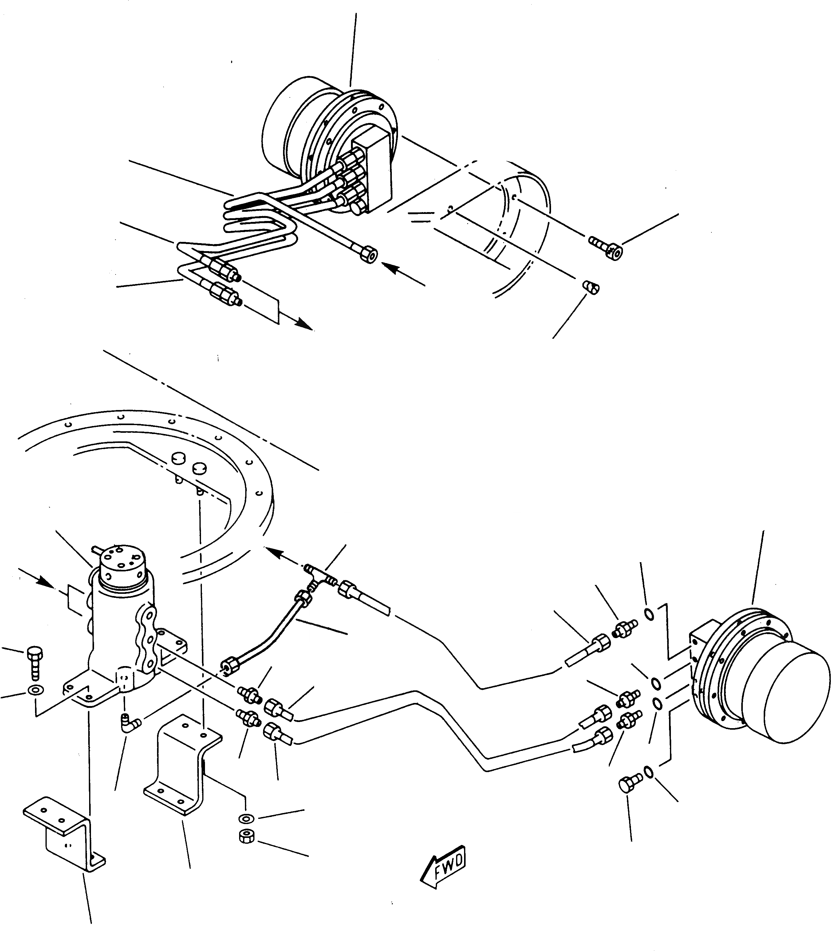
Запчасти Komatsu 212 ГИДРОЛИНИЯ (МОТОР ХОДА ЛИНИЯ) ХОДОВАЯ

Схема запчастей Komatsu 212 - ГИДРОЛИНИЯ (МОТОР ХОДА ЛИНИЯ) ХОДОВАЯ
14
9
17
3
4
18
14
19
25
11
10
8
12
20
7
5
6
1
21
7
5
6
2
13
24
16
15
23
22
22
a
a
b
b
FIT
1:1
100%

Артикул

Название

Примечание

Количество

1

200767484

PIPE

2

200767483

PIPE

3

200767482

PIPE

4

200767481

PIPE

5

500351804

UNION

6

500351745

UNION

7

855051113

O-RING

8

200767479

TUBE, L.H.

9

200767478

TUBE, R.H.

10

500351744

UNION

11

855051111

O-RING

12

200767477

PIPE

13

500351906

ELBOW

14

842090005

TRAVEL MOTOR, ASSY.

14

890000058

TRAVEL MOTOR, ASSY.

15

500365502

PLUG

16

855021111

O-RING

17

801105545

SCREW

18

500366044

PLUG

19

200150306

SWIVEL JOINT, ASSY.

20

801015087

BOLT

21

802170001

WASHER

22

500158569

BRACKET

23

801920105

NUT

24

802170002

WASHER

25

500351510

TEE

Выбрано товаров: 26