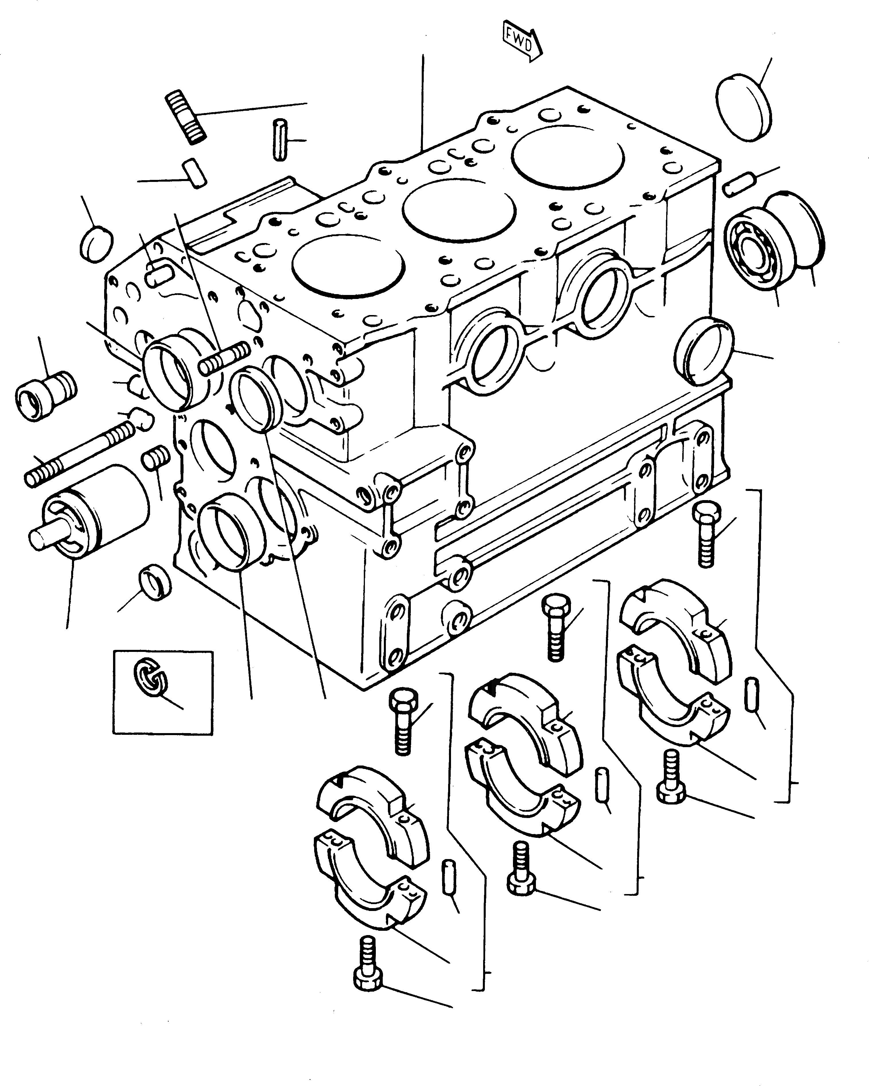
Запчасти Komatsu 212 БЛОК ЦИЛИНДРОВ ДВИГАТЕЛЬ

Схема запчастей Komatsu 212 - БЛОК ЦИЛИНДРОВ ДВИГАТЕЛЬ
1
5
19
18
17
15
3
20
16
13
12
14
10
4
7
8
21
36
6
31
33
2
9
26
28
5
11
39
35
32
34
23
38
30
27
29
37
25
24
22
37
FIT
1:1
100%

Артикул

Название

Примечание

Количество

1

PKP000024

KIT, CYLINDER BLOCK

2

PKP000025

PLUG

3

PKP000026

PLUG

4

PKP000027

PLUG

5

PKP000028

PLUG

6

PKP000029

PLUG

7

PKP000030

PLUG

8

PKP000031

PLUG

9

PKP000032

HUB

10

PKP000033

BUSHING

11

PKP000034

BUSH (--) 0.25 mm

11

PKP000035

BUSH (--) 0.50 mm

11

PKP000036

BUSHING

12

PKP000037

BEARING

13

PKP000038

PLUG

14

PKP000039

BUSHING

15

PKP000040

DOWEL

16

PKP000041

DOWEL

17

PKP000042

DOWEL

18

PKP000043

PIN

19

PKP000044

STUD

20

PKP000045

STUD

21

PKP000046

STUD

22

PKP000047

BEARING CAP

23

CAP

24

CAP

25

PKP000048

DOWEL

26

PKP000049

SCREW

27

PKP000050

BEARING CAP

28

CAP

29

CAP

30

PKP000048

DOWEL

31

PKP000049

SCREW

32

PKP000051

BEARING CAP

33

CAP

34

CAP

35

PKP000048

DOWEL

36

PKP000049

SCREW

37

PKP000052

SCREW

38

PKP000053

SCREW

39

PKP000305

CIRCLIP

Выбрано товаров: 0