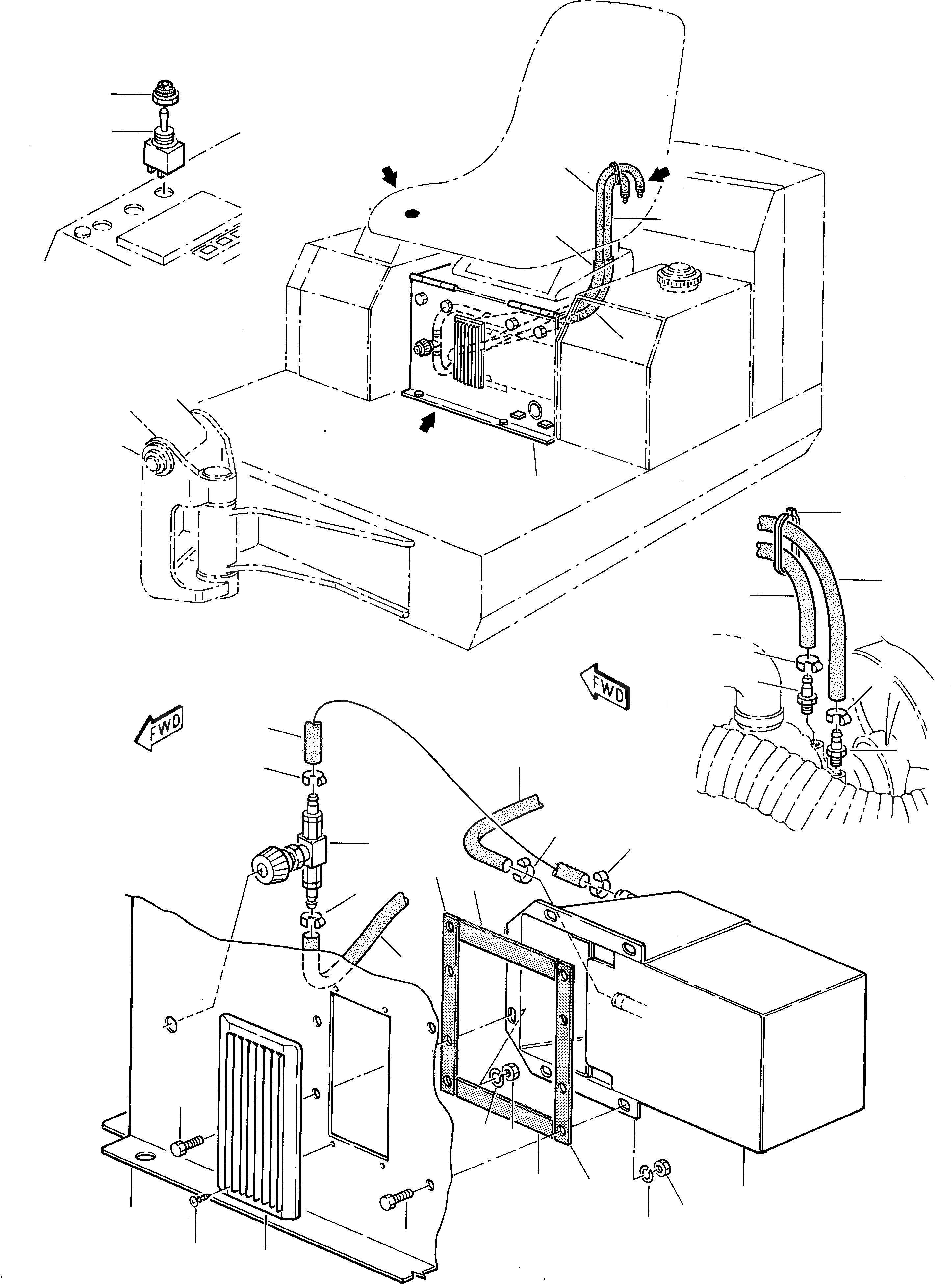
Запчасти Komatsu 212 СИСТЕМА ПОДОГРЕВА ЧАСТИ КОРПУСА И КАБИНА

Схема запчастей Komatsu 212 - СИСТЕМА ПОДОГРЕВА ЧАСТИ КОРПУСА И КАБИНА
19
18
14
13
17
17
1
15
14
13
10
10
16
12
16
14
10
10
10
11
8
7
10
13
4
5
6
7
8
9
6
1
5
4
3
2
a
c
b
c
a
b
FIT
1:1
100%

Артикул

Название

Примечание

Количество

1

200537014

OPERATOR'S SEAT STAND

2

816212787

GRATING

3

801370015

SCREW

4

801014043

BOLT

5

802150506

SPRING WASHER

6

801920103

NUT

7

500411499

GASKET

8

500411500

GASKET

9

888011019

HEATER

10

802660003

HOSE-CLAMP

11

816211451

COCK

12

852951155

HOSE

13

852951154

HOSE

14

852951156

HOSE

15

885180005

HOSE-CLAMP

16

500358628

UNION

17

816212438

PROTECTION

18

885081048

HEATING SWITCH

19

885411029

NUT

Выбрано товаров: 19