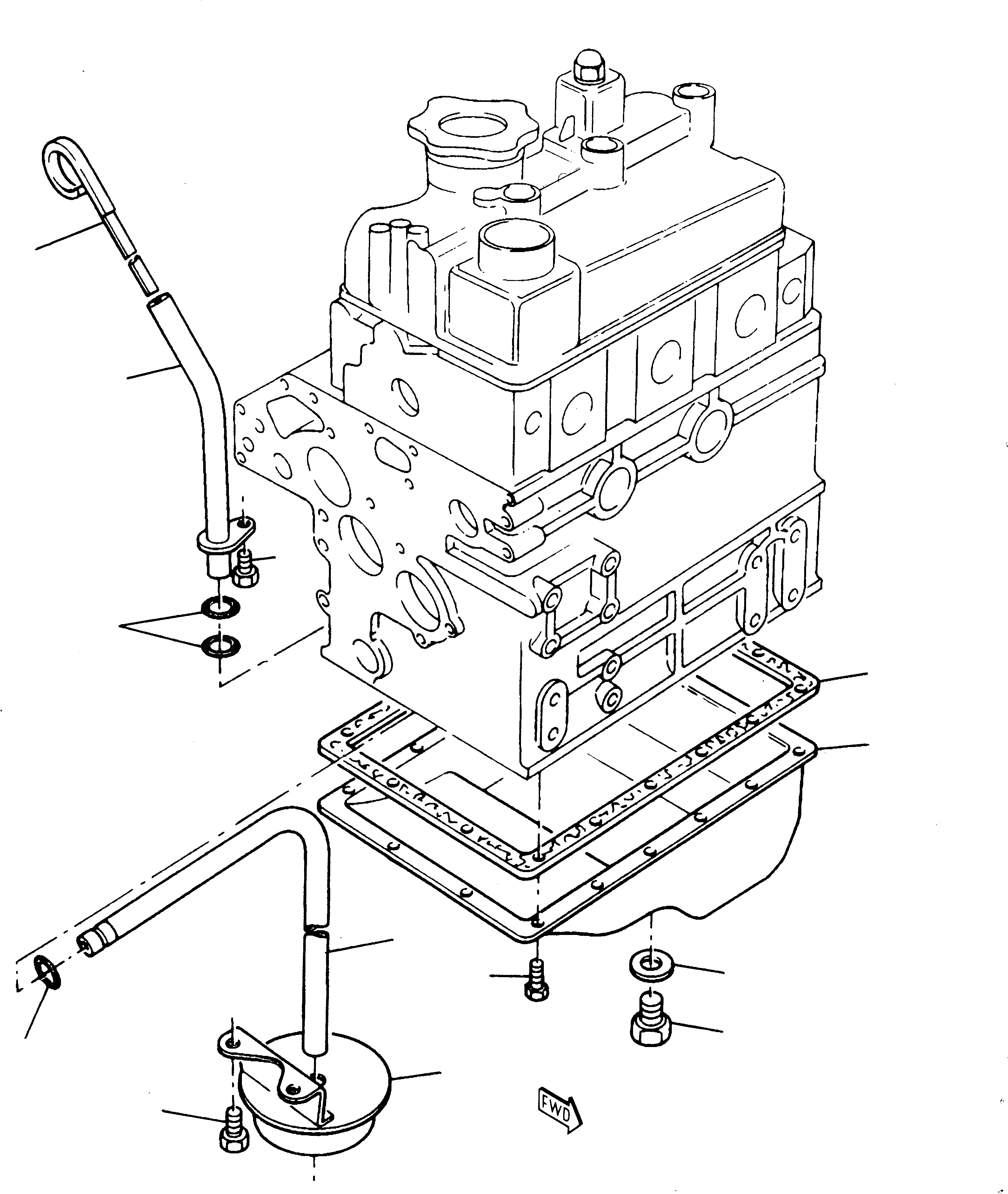
Запчасти Komatsu 212 СИСТЕМА СМАЗКИ МАСЛ. НАСОС ДВИГАТЕЛЬ

Схема запчастей Komatsu 212 - СИСТЕМА СМАЗКИ МАСЛ. НАСОС ДВИГАТЕЛЬ
10
12
9
11
5
1
6
3
4
2
7
8
9
FIT
1:1
100%

Артикул

Название

Примечание

Количество

1

PKP000292

OIL PAN

2

PKP000293

PLUG (EXC. TBG)

2

500601208

PLUG (TBG SPEC.)

3

PKP000294

WASHER

4

PKP000295

SCREW

5

PKP000296

JOINT

6

PKP000297

PIPE

7

PKP000298

O-RING

8

PKP000299

STRAINER

9

PKP000300

BOLT

10

PKP000301

PIPE

11

PKP000302

O-RING

12

PKP000303

DIPSTICK

Выбрано товаров: 0