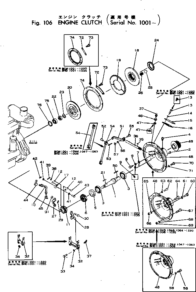
Запчасти Komatsu 22-BCM-1 ДВИГАТЕЛЬ МУФТА КОМПОНЕНТЫ ДВИГАТЕЛЯ И POWER TRANSMITTING СИСТЕМА

Схема запчастей Komatsu 22-BCM-1 - ДВИГАТЕЛЬ МУФТА КОМПОНЕНТЫ ДВИГАТЕЛЯ И POWER TRANSMITTING СИСТЕМА
FIT
1:1
100%

Артикул

Название

Примечание

Количество

|1

22-580322-00

ENGINE CLUTCH ASS'Y

|1

22-580321-00

ENGINE CLUTCH ASS'Y

|1

22-580317-00

ENGINE CLUTCH ASS'Y

|1

22-580321-00

ENGINE CLUTCH ASS'Y

|1

22-580317-00

ENGINE CLUTCH ASS'Y

1

22-500006-01

SHAFT

2

07048-01010

PLUG

3

22-400271-01

BEARING,TAPER ROLLER

4

00570-43760

FITTING

5

22-400034-01

SPACER

6

22-450006-01

RETAINER

7

22-400031-01

PLATE

8

02010-00516

BOLT

9

01602-00825

WASHER

|9

22-400033-01

WASHER

10

22-450023-01

HOSE

11

22-450008-01

SLEEVE,SHIFTER

12

22-400026-01

LINK,TOGGLE

13

02010-00413

BOLT

|13

22-400291-01

SCREW

14

01602-00720

WASHER

15

22-400017-01

COVER

16

22-400018-01

GASKET

17

22-400022-01

LEVER,TOGGLE

18

22-500009-01

PLATE,FLOATING

19

22-500010-01

PLATE,DRIVING¤ SPLIT TYPE

20

22-500008-01

PLATE,BACK

21

22-400028-01

KEY

22

22-400035-01

NUT

23

22-400036-01

WASHER

24

22-450007-01

NUT,ADJUST

25

22-400020-01

PIN

26

22-400021-01

SPRING

|27

22-580944-51

COLLAR ASS'Y,SHIFTER

27

COLLAR

28

COLLAR

29

22-400027-01

SHIM¤ 1.6MM

30

02030-20657

BOLT

31

02215-10608

NUT

32

22-500614-01

YOKE,SHIFTER

|32

22-450012-01

YOKE,SHIFTER

33

02010-20638

BOLT

34

01602-00929

WASHER

|34

22-400030-01

WASHER

35

22-590091-01

KEY

36

22-450011-01

SHAFT,SHIFTER

37

00570-44260

FITTING

38

01641-20810

WASHER

39

04050-03018

PIN

40

22-400273-01

PIN,TOGGLE LEVER

41

22-400024-01

SPRING,DRAG

42

22-400025-01

PIN

43

22-400023-01

PIN,TOGGLE LEVER

44

22-400098-01

ELBOW

45

22-400099-01

ELBOW

46

02216-01010

NUT

47

01602-01648

WASHER

|47

22-400100-01

WASHER

48

22-540417-01

CASE,ENGINE CLUTCH

|48

22-540111-01

CASE,ENGINE CLUTCH

|48

22-540005-01

CASE,ENGINE CLUTCH

|48

22-540111-01

CASE,ENGINE CLUTCH

|48

22-540005-01

CASE,ENGINE CLUTCH

49

22-450524-21

SPROCKET,21 TEETH

|49

22-450266-21

SPROCKET,20 TEETH

|49

21-607183-21

SPROCKET,18 TEETH

|49

22-450266-21

SPROCKET,20 TEETH

|49

21-607183-21

SPROCKET,18 TEETH

50

21-298659-01

KEY

51

21-524238-01

LEVER,SHIFTER

52

22-590049-01

PIN

53

04050-03022

PIN

54

22-450324-21

ROD

|54

22-450048-21

ROD

|54

22-450324-21

ROD

|54

22-450048-21

ROD

55

02030-00651

BOLT

56

01602-00929

WASHER

57

02215-00608

NUT

58

02010-20632

BOLT

|58

02010-20632

BOLT

59

01602-00929

WASHER

|59

01602-00929

WASHER

60

01040-01635

BOLT

|60

01040-01635

BOLT

61

01601-01640

WASHER

|61

01601-01640

WASHER

62

01040-01840

BOLT

|62

01040-01840

BOLT

63

01601-01846

WASHER

|63

01601-01846

WASHER

64

01040-01855

BOLT

|64

01040-01855

BOLT

65

01601-01846

WASHER

|65

01601-01846

WASHER

66

01503-01816

NUT

|66

01503-01816

NUT

67

01040-01865

BOLT

|67

01040-01865

BOLT

68

01601-01846

WASHER

|68

01601-01846

WASHER

69

01503-01816

NUT

|69

01503-01816

NUT

70

01040-01235

BOLT

71

01601-01230

WASHER

72

22-402763-01

PLATE

|72

22-400295-01

PLATE

73

02010-00625

BOLT

|73

02010-20638

BOLT

74

22-500601-01

RING,DRIVING

|74

22-500007-01

RING,DRIVING

75

22-400272-01

BEARING,BALL

76

22-401012-01

SPACER

|76

22-401012-01

SPACER

Выбрано товаров: 0